TOYOTA LAND CRUISER 100 HDJ101K-RNPGZ / ELECTRICAL / HEATING AIR CONDITIONING COOLER UNIT

Toyota Land Cruiser genuine parts

Toyota - LEXUS genuine parts

HEATING AIR CONDITIONING COOLER UNIT

リヤ ILLUST NO. 2 OF 4(9801- )

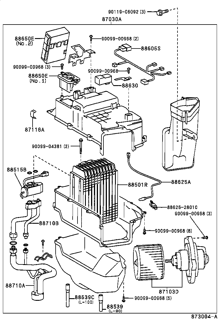
 LAND CRUISER 100 |  HEATING AIR CONDITIONING COOLER UNIT 87030A - UNIT ASSY, COOLING, REAR 87103D - MOTOR SUB-ASSY, BLOWER W/FAN(FOR REAR) 87116A - SPRING, HOLDING (FOR COOLER UNIT CASE) 88501R - EVAPORATOR SUB-ASSY (REAR) 88515B - VALVE, REAR COOLING UNIT EXPANSION 88539 - HOSE, COOLER UNIT DRAIN, NO.1 88539C - HOSE, COOLER UNIT DRAIN, NO.2 88605S - HARNESS SUB-ASSY, WIRING AIR CONDITIONER 88625A - THERMISTOR, COOLER NO.2  ** Std Part 88630 - RELAY ASSY, COOLER 88650E - AMPLIFIER ASSY, AIR CONDITIONER, NO.1 88650E - AMPLIFIER ASSY, AIR CONDITIONER, NO.1 88710A - TUBE ASSY, AIRCONDITIONER 88710B - TUBE ASSY, AIRCONDITIONER  ** Std Part  ** Std Part  ** Std Part  ** Std Part  ** Std Part  ** Std Part  ** Std Part  ** Std Part

Register

Nick (login)
Password
Full name
eMail
Phone
Country

Login

Nick (login)
Password