TOYOTA CELSIOR UCF31-AEAQK / ELECTRICAL / HEATING AIR CONDITIONING COOLER UNIT

Toyota Land Cruiser genuine parts

Toyota - LEXUS genuine parts

HEATING AIR CONDITIONING COOLER UNIT

リヤ ILLUST NO. 3 OF 4(0008-0307)

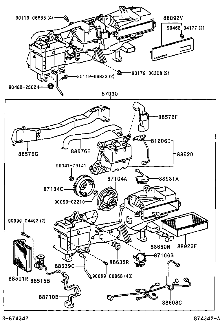
 CELSIOR |  HEATING AIR CONDITIONING COOLER UNIT 81206D - LAMP SUB-ASSY, COOLING BOX 87030 - BLOWER ASSY, AIR CONDITIONER 87104A - MOTOR SUB-ASSY, BLOWER 87106B - SERVO SUB-ASSY, DAMPER(FOR COOLING UNIT) 87134C - FAN, BLOWER(FOR COOLING UNIT) 88501R - EVAPORATOR SUB-ASSY (REAR) 88515B - VALVE, REAR COOLING UNIT EXPANSION 88520 - BOX ASSY, COOLING 88539C - HOSE, COOLER UNIT DRAIN, NO.2 88576E - DUCT, COOLER AIR, NO.1 88576F - DUCT, COOLER AIR, NO.2 88576G - DUCT, COOLER AIR, NO.3 88608C - HARNESS SUB-ASSY, WIRING AIR INDICATOR, NO.2 88635R - RESISTOR, BLOWER 88650N - AMPLIFIER ASSY, AIR CONDITIONER 88710B - TUBE ASSY, AIRCONDITIONER 88892V - COVER, AIR PURIFIER 88926F - FILTER, REAR COOLER 88931A - SENSOR, SMOKE  ** Std Part  ** Std Part  ** Std Part  ** Std Part  ** Std Part  ** Std Part  ** Std Part  ** Std Part  ** Std Part

Register

Nick (login)
Password
Full name
eMail
Phone
Country

Login

Nick (login)
Password