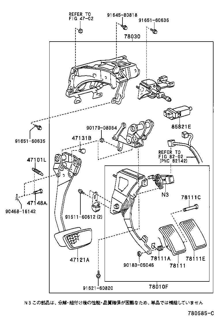
TOYOTA BREVIS JCG15-CEPVH / BODY / ACCELERATOR LINK

Toyota Land Cruiser genuine parts

Toyota - LEXUS genuine parts

ACCELERATOR LINK

カドウシキ ペダル (0105- )

 BREVIS |  ACCELERATOR LINK ** Refer Fig 47101L - SPRING(FOR BRAKE PEDAL RETURN) 47121A - PAD, BRAKE PEDAL 47131B - CUSHION(FOR STOP LAMP SWITCH) 47148A - PIN(FOR BRAKE MASTER CYLINDER PUSH ROD) 78010F - PEDAL ASSY, ACCELERATOR 78030 - PEDAL ASSY, ACCELERATOR & BRAKE 78111 - PEDAL, ACCELERATOR 78111A - SPRING (FOR ACCELERATOR PEDAL) 78111C - PIN (FOR ACCELERATOR PEDAL) 78111E - PAD, ACCELERATOR PEDAL ** Refer Fig 85821E - MOTOR, ADJUSTER PEDAL  ** Std Part  ** Std Part  ** Std Part  ** Std Part  ** Std Part  ** Std Part  ** Std Part  ** Std Part

Register

Nick (login)
Password
Full name
eMail
Phone
Country

Login

Nick (login)
Password