TOYOTA COASTER HZB30-PDZR / TOOL-ENGINE-FUEL / AIR CLEANER

Toyota Land Cruiser genuine parts

Toyota - LEXUS genuine parts

AIR CLEANER

ILLUST NO. 2 OF 2(9001- )1HZ

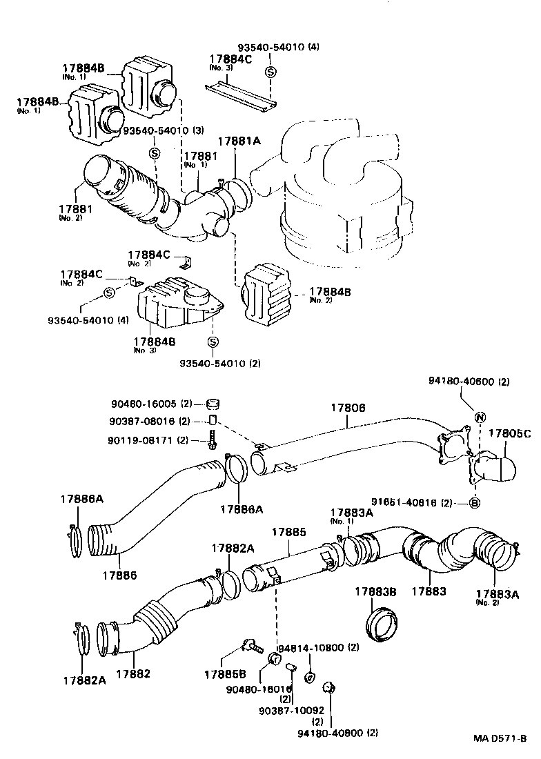
 COASTER |  AIR CLEANER 17805C - PIPE SUB-ASSY, AIR CLEANER, NO.1 17806 - PIPE SUB-ASSY, AIR CLEANER, NO.2 17881 - HOSE, AIR CLEANER, NO.1 17881 - HOSE, AIR CLEANER, NO.1 17881A - CLAMP(FOR AIR CLEANER HOSE, NO.1) 17882 - HOSE, AIR CLEANER, NO.2 17882A - CLAMP(FOR AIR CLEANER HOSE, NO.2) 17882A - CLAMP(FOR AIR CLEANER HOSE, NO.2) 17883 - HOSE, AIR CLEANER, NO.3 17883A - CLAMP(FOR AIR CLEANER HOSE, NO.3) 17883A - CLAMP(FOR AIR CLEANER HOSE, NO.3) 17883B - GROMMET, AIR CLEANER HOSE 17884B - BOX, AIR CLEANER, NO.1 17884B - BOX, AIR CLEANER, NO.1 17884B - BOX, AIR CLEANER, NO.1 17884B - BOX, AIR CLEANER, NO.1 17884C - BAND, AIR CLEANER BOX 17884C - BAND, AIR CLEANER BOX 17884C - BAND, AIR CLEANER BOX 17885 - PIPE, AIR CLEANER 17885B - PLATE, PIPE SUPPORT 17886 - HOSE, AIR CLEANER, NO.6 17886A - CLAMP(FOR AIR CLEANER HOSE, NO.6) 17886A - CLAMP(FOR AIR CLEANER HOSE, NO.6)  ** Std Part  ** Std Part  ** Std Part  ** Std Part  ** Std Part  ** Std Part  ** Std Part  ** Std Part  ** Std Part  ** Std Part  ** Std Part  ** Std Part  ** Std Part

Register

Nick (login)
Password
Full name
eMail
Phone
Country

Login

Nick (login)
Password