TOYOTA HIACE VAN WAGON LH51G-SGX / ELECTRICAL / SWITCH RELAY COMPUTER

Toyota Land Cruiser genuine parts

Toyota - LEXUS genuine parts

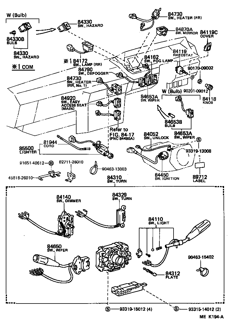
SWITCH RELAY COMPUTER

ILLUST NO. 2 OF 7(8708- )

 HIACE VAN WAGON |  SWITCH RELAY COMPUTER  ** Std Part 81944 - CORD, OPTICAL FIBER  ** Std Part 84052 - SWITCH ASSY, UN-LOCK WARNING 84110 - SWITCH ASSY, LIGHT CONTROL, NO.1 84118 - KNOB, LIGHT CONTROL RHEOSTAT 84119 - RHEOSTAT, LIGHT CONTROL 84119C - COVER, LIGHT RHEOSTAT 84140 - SWITCH ASSY, HEADLAMP DIMMER 84162 - SWITCH, FRONT FOG LAMP ** Refer Fig 84172 - SWITCH, ROOM LAMP 84310 - SWITCH ASSY, TURN SIGNAL 84312 - PLATE, HORN CONTACT 84329 - SWITCH, TURN SIGNAL 84330 - SWITCH ASSY, HAZARD WARNING SIGNAL 84330 - SWITCH ASSY, HAZARD WARNING SIGNAL 84330B - BULB, HAZARD WARNING SIGNAL SWITCH 84450 - SWITCH ASSY, IGNITION OR STARTER 84650 - SWITCH ASSY, WINDSHIELD WIPER 84653A - SWITCH, REAR WIPER 84653A - SWITCH, REAR WIPER 84653B - BULB, REAR WIPER SWITCH 84730 - SWITCH ASSY, HEATER BLOWER 84730 - SWITCH ASSY, HEATER BLOWER 84790 - SWITCH ASSY, REAR WINDOW DEFOGGER 84870A - SWITCH ASSY, OUTER MIRROR 84920 - SWITCH ASSY, POWER SEAT 85500 - LIGHTER ASSY, CIGARETTE 89712 - LABEL, SEAT CONTROL INFORMATION  ** Std Part  ** Std Part  ** Std Part  ** Std Part  ** Std Part  ** Std Part  ** Std Part  ** Std Part

Register

Nick (login)
Password
Full name
eMail
Phone
Country

Login

Nick (login)
Password