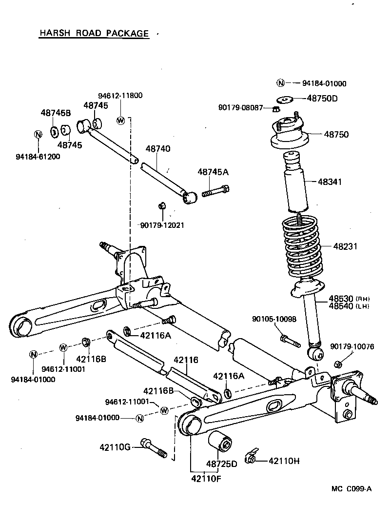
TOYOTA STARLET EP70R-PGKNS / POWERTRAIN-CHASSIS / REAR SPRING SHOCK ABSORBER

Toyota Land Cruiser genuine parts

Toyota - LEXUS genuine parts

REAR SPRING SHOCK ABSORBER

(8410- )

 STARLET |  REAR SPRING SHOCK ABSORBER 42110F - BEAM ASSY, REAR AXLE 42110G - BOLT (FOR REAR AXLE BEAM) 42110H - NUT (FOR REAR AXLE BEAM) 42116 - COVER, REAR AXLE BEAM 42116A - CUSHION, NO.1 (FOR REAR AXLE BEAM COVER) 42116A - CUSHION, NO.1 (FOR REAR AXLE BEAM COVER) 42116B - CUSHION, NO.2 (FOR REAR AXLE BEAM COVER) 42116B - CUSHION, NO.2 (FOR REAR AXLE BEAM COVER) 48231 - SPRING, COIL, REAR 48341 - BUMPER, REAR SPRING 48530 - ABSORBER ASSY, SHOCK, REAR RH 48540 - ABSORBER ASSY, SHOCK, REAR LH 48725D - BUSH, REAR SUSPENSION ARM, NO.3 48740 - ROD ASSY, REAR LATERAL CONTROL 48745 - BUSH, LATERAL CONTROL ROD 48745 - BUSH, LATERAL CONTROL ROD 48745A - BOLT, HEXAGON(FOR LATERAL CONTROL ROD) 48745B - WASHER, LATERAL CONTROL ROD CUSHION 48750 - SUPPORT ASSY, REAR SUSPENSION 48750D - RETAINER(FOR REAR SUPPORT TO REAR SHOCK ABSORBER)  ** Std Part  ** Std Part  ** Std Part  ** Std Part  ** Std Part  ** Std Part  ** Std Part  ** Std Part  ** Std Part  ** Std Part  ** Std Part

Register

Nick (login)
Password
Full name
eMail
Phone
Country

Login

Nick (login)
Password