TOYOTA CROWN MS122R-SEPGS / ELECTRICAL / HEATING AIR CONDITIONING CONTROL AIR DUCT

Toyota Land Cruiser genuine parts

Toyota - LEXUS genuine parts

HEATING AIR CONDITIONING CONTROL AIR DUCT

(8308- )RHD..4F,4FC,4HC,5F

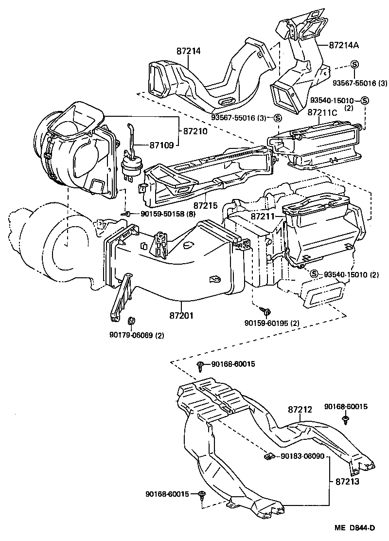
 CROWN |  HEATING AIR CONDITIONING CONTROL AIR DUCT 87109 - DIAPHRAGM SUB-ASSY, AIR DOOR CONTROL 87201 - DUCT SUB-ASSY, AIR, NO.1 87210 - DAMPER ASSY, AIR 87211 - DUCT, AIR, NO.1 87211C - DUCT, AIR, NO.4 87212 - DUCT, AIR, REAR NO.1 87213 - DUCT, AIR, REAR NO.2 87214 - DUCT, AIR, SIDE NO.1 RH 87214A - DUCT, AIR, SIDE NO.2 RH 87215 - DUCT, AIR, SIDE NO.1 LH  ** Std Part  ** Std Part  ** Std Part  ** Std Part  ** Std Part  ** Std Part  ** Std Part  ** Std Part  ** Std Part  ** Std Part  ** Std Part

Register

Nick (login)
Password
Full name
eMail
Phone
Country

Login

Nick (login)
Password