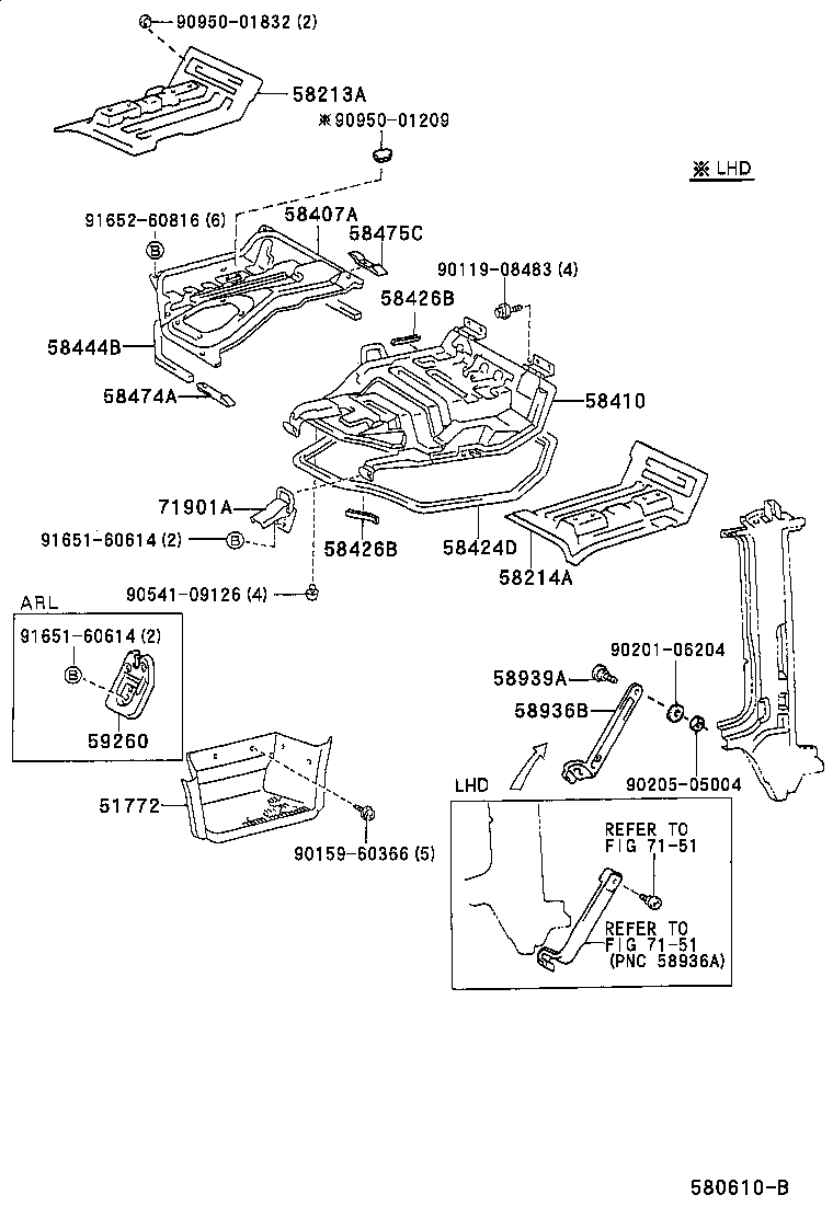
TOYOTA DYNA 150 LY211R-TBMFS / BODY / FRONT FLOOR PANEL FRONT FLOOR MEMBER

Toyota Land Cruiser genuine parts

Toyota - LEXUS genuine parts

FRONT FLOOR PANEL FRONT FLOOR MEMBER

ILLUST NO. 2 OF 2(9505- )

 DYNA 150 |  FRONT FLOOR PANEL FRONT FLOOR MEMBER

Register

Nick (login)
Password
Full name
eMail
Phone
Country

Login

Nick (login)
Password