TOYOTA CRESSIDA WAGON MX75R-XEPGFN / ELECTRICAL / HEATING AIR CONDITIONING HEATER UNIT BLOWER

Toyota Land Cruiser genuine parts

Toyota - LEXUS genuine parts

HEATING AIR CONDITIONING HEATER UNIT BLOWER

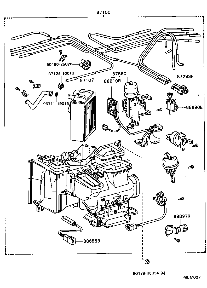
RADIATOR ILLUST NO. 2 OF 2(8812-9205)MX75..GLX

 CRESSIDA WAGON |  HEATING AIR CONDITIONING HEATER UNIT BLOWER 87107 - UNIT SUB-ASSY, HEATER RADIATOR  ** Std Part 87150 - RADIATOR ASSY, HEATER 87293F - CONNECTOR, VACUUM 87660 - SERVO ASSY, AIR CONDITIONER 88610R - SWITCH ASSY, CONTROL 88655B - SWITCH, WATER TEMPERATURE 88690B - VALVE ASSY, COOLER MAGNET 88897R - ASPIRATOR  ** Std Part  ** Std Part  ** Std Part

Register

Nick (login)
Password
Full name
eMail
Phone
Country

Login

Nick (login)
Password