TOYOTA CAMRY SV21LG-UWPDKA / ELECTRICAL / HEATING AIR CONDITIONING CONTROL AIR DUCT

Toyota Land Cruiser genuine parts

Toyota - LEXUS genuine parts

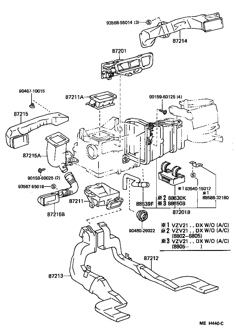
HEATING AIR CONDITIONING CONTROL AIR DUCT

ILLUST NO. 2 OF 2(8608- )

 CAMRY |  HEATING AIR CONDITIONING CONTROL AIR DUCT 87201 - DUCT SUB-ASSY, AIR, NO.1 87201B - DUCT SUB-ASSY, AIR, NO.2 87211 - DUCT, AIR, NO.1 87211A - DUCT, AIR, NO.2 87212 - DUCT, AIR, REAR NO.1 87213 - DUCT, AIR, REAR NO.2 87214 - DUCT, AIR, SIDE NO.1 RH 87215 - DUCT, AIR, SIDE NO.1 LH 87215A - DUCT, AIR, SIDE NO.2 LH 87215B - DUCT, AIR, SIDE NO.3 LH 88539F - HOSE, DRAIN 88630K - RELAY ASSY 88650B - AMPLIFIER ASSY, AIRCONDITIONER  ** Std Part  ** Std Part  ** Std Part  ** Std Part  ** Std Part  ** Std Part  ** Std Part  ** Std Part

Register

Nick (login)
Password
Full name
eMail
Phone
Country

Login

Nick (login)
Password