TOYOTA HIACE LH20LB-JRE / ELECTRICAL / HEATING AIR CONDITIONING COMPRESSOR

Toyota Land Cruiser genuine parts

Toyota - LEXUS genuine parts

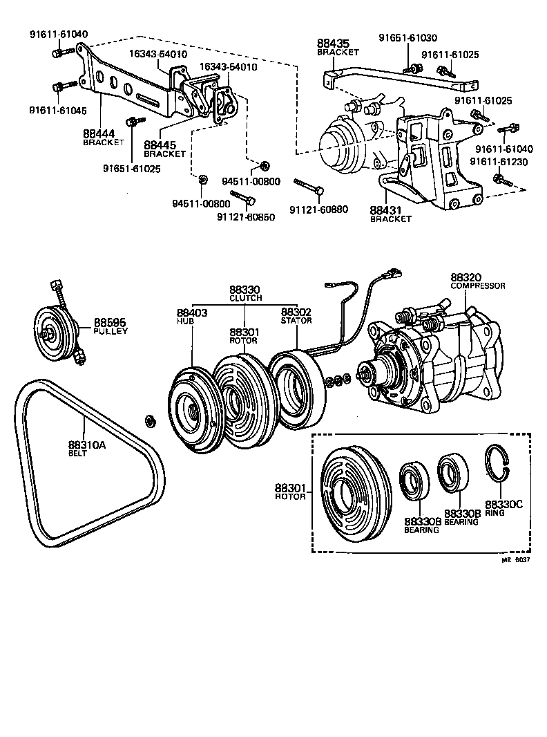
HEATING AIR CONDITIONING COMPRESSOR

(8105- )LH20..12S

 HIACE |  HEATING AIR CONDITIONING COMPRESSOR  ** Std Part  ** Std Part 88301 - ROTOR SUB-ASSY, MAGNET CLUTCH 88301 - ROTOR SUB-ASSY, MAGNET CLUTCH 88302 - STATOR SUB-ASSY, MAGNET CLUTCH 88310A - BELT, V (COOLER COMPRESSOR TO CRANKSHAFT PULLEY), NO.1 88320 - COMPRESSOR ASSY, COOLER 88330 - CLUTCH ASSY, MAGNET 88330B - BEARING, MAGNET CLUTCH 88330B - BEARING, MAGNET CLUTCH 88330C - RING, SNAP (FOR MAGNET CLUTCH) 88403 - HUB SUB-ASSY, MAGNET CLUTCH 88431 - BRACKET, COMPRESSOR MOUNTING, NO.1 88435 - BRACKET, COMPRESSOR MOUNTING, NO.5 88444 - BRACKET, IDLE PULLEY 88445 - BRACKET, IDLE PULLEY 88595 - PULLEY, COOLER COMPRESSOR IDLE  ** Std Part  ** Std Part  ** Std Part  ** Std Part  ** Std Part  ** Std Part  ** Std Part  ** Std Part  ** Std Part  ** Std Part  ** Std Part  ** Std Part

Register

Nick (login)
Password
Full name
eMail
Phone
Country

Login

Nick (login)
Password