TOYOTA CARINA TA12-HF / ELECTRICAL / HEATING AIR CONDITIONING HEATER UNIT BLOWER

Toyota Land Cruiser genuine parts

Toyota - LEXUS genuine parts

HEATING AIR CONDITIONING HEATER UNIT BLOWER

(7012-7509)

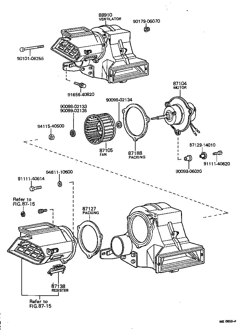
 CARINA |  HEATING AIR CONDITIONING HEATER UNIT BLOWER 87104 - MOTOR SUB-ASSY, HEATER BLOWER 87105 - FAN SUB-ASSY, HEATER BLOWER 87127 - PACKING, HEATER AIR DAMPER  ** Std Part 87138 - RESISTOR, HEATER BLOWER ** Refer Fig ** Refer Fig 87188 - PACKING, HEATER BLOWER MOTOR 88910 - VENTILATOR ASSY, BOOST  ** Std Part  ** Std Part  ** Std Part  ** Std Part  ** Std Part  ** Std Part  ** Std Part  ** Std Part  ** Std Part  ** Std Part  ** Std Part

Register

Nick (login)
Password
Full name
eMail
Phone
Country

Login

Nick (login)
Password