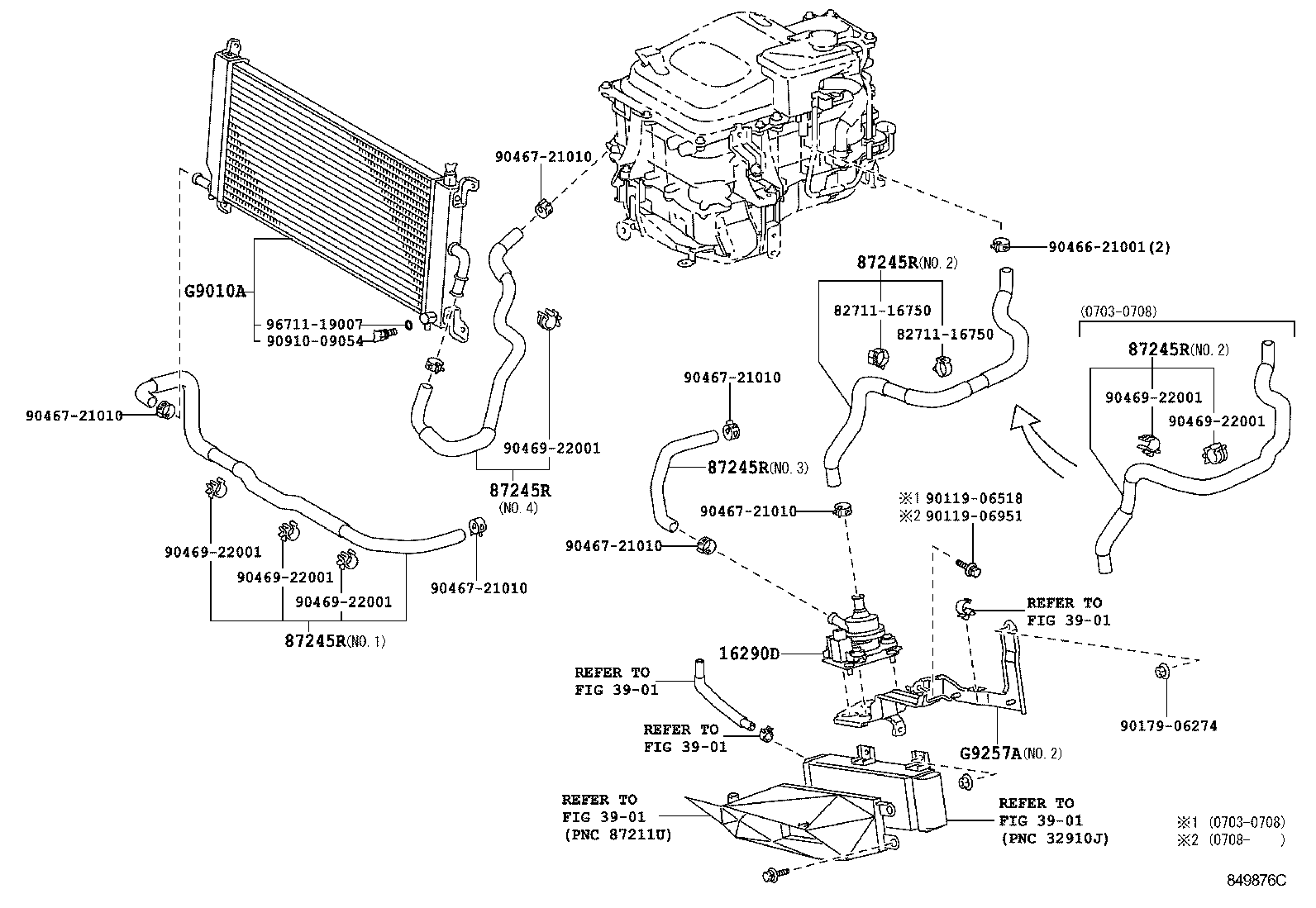
LEXUS RX400H MHU38R-AWXGKW / ELECTRICAL / INVERTER COOLING

Toyota Land Cruiser genuine parts

Toyota - LEXUS genuine parts

INVERTER COOLING

(0703-0710)

 RX400H |  INVERTER COOLING 16290D - PUMP ASSY, WATER W/MOTOR ** Refer Fig ** Refer Fig ** Refer Fig ** Refer Fig ** Refer Fig  ** Std Part  ** Std Part 87245R - HOSE, WATER 87245R - HOSE, WATER 87245R - HOSE, WATER 87245R - HOSE, WATER 87245R - HOSE, WATER  ** Std Part  ** Std Part  ** Std Part  ** Std Part  ** Std Part  ** Std Part  ** Std Part  ** Std Part  ** Std Part  ** Std Part  ** Std Part  ** Std Part  ** Std Part  ** Std Part  ** Std Part  ** Std Part  ** Std Part  ** Std Part G9010A - RADIATOR  ASSY G9257A - BRACKET, INVERTER, NO.5

Register

Nick (login)
Password
Full name
eMail
Phone
Country

Login

Nick (login)
Password