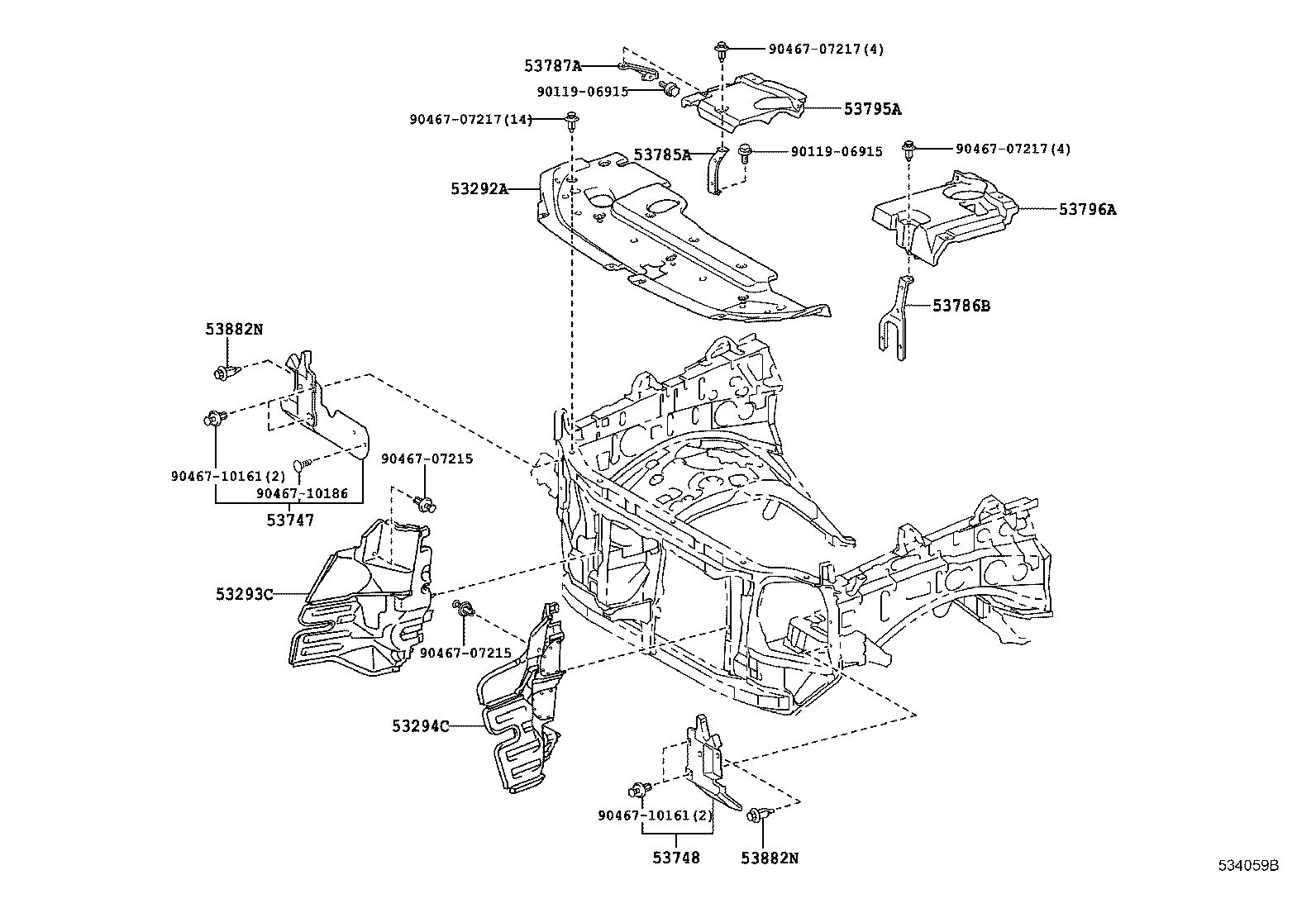
LEXUS GX460 URJ150L-GKTZKW / BODY / FRONT FENDER APRON DASH PANEL

Toyota Land Cruiser genuine parts

Toyota - LEXUS genuine parts

FRONT FENDER APRON DASH PANEL

ILLUST NO. 3 OF 3(1308- )

 GX460 |  FRONT FENDER APRON DASH PANEL 53292A - SEAL, RADIATOR SUPPORT, UPPER 53293C - DEFLECTOR, RADIATOR SIDE, RH 53294C - DEFLECTOR, RADIATOR SIDE, LH 53747 - PLATE, AIR SEALED, RH 53748 - PLATE, AIR SEALED, LH 53785A - GUSSET, FRONT FENDER APRON, UPPER RH 53786B - GUSSET, FRONT FENDER APRON, UPPER LH 53787A - GUSSET, FRONT FENDER APRON, LOWER RH 53795A - COVER, ENGINE ROOM, SIDE 53796A - COVER, ENGINE ROOM SIDE, LH 53882N - CLIP(FOR FRONT FENDER SEAL) 53882N - CLIP(FOR FRONT FENDER SEAL)  ** Std Part  ** Std Part  ** Std Part  ** Std Part  ** Std Part  ** Std Part  ** Std Part  ** Std Part  ** Std Part  ** Std Part

Register

Nick (login)
Password
Full name
eMail
Phone
Country

Login

Nick (login)
Password