TOYOTA HIGHLANDER JPP GVU48L-BRXGKA / ELECTRICAL / WIRING CLAMP

Toyota Land Cruiser genuine parts

Toyota - LEXUS genuine parts

WIRING CLAMP

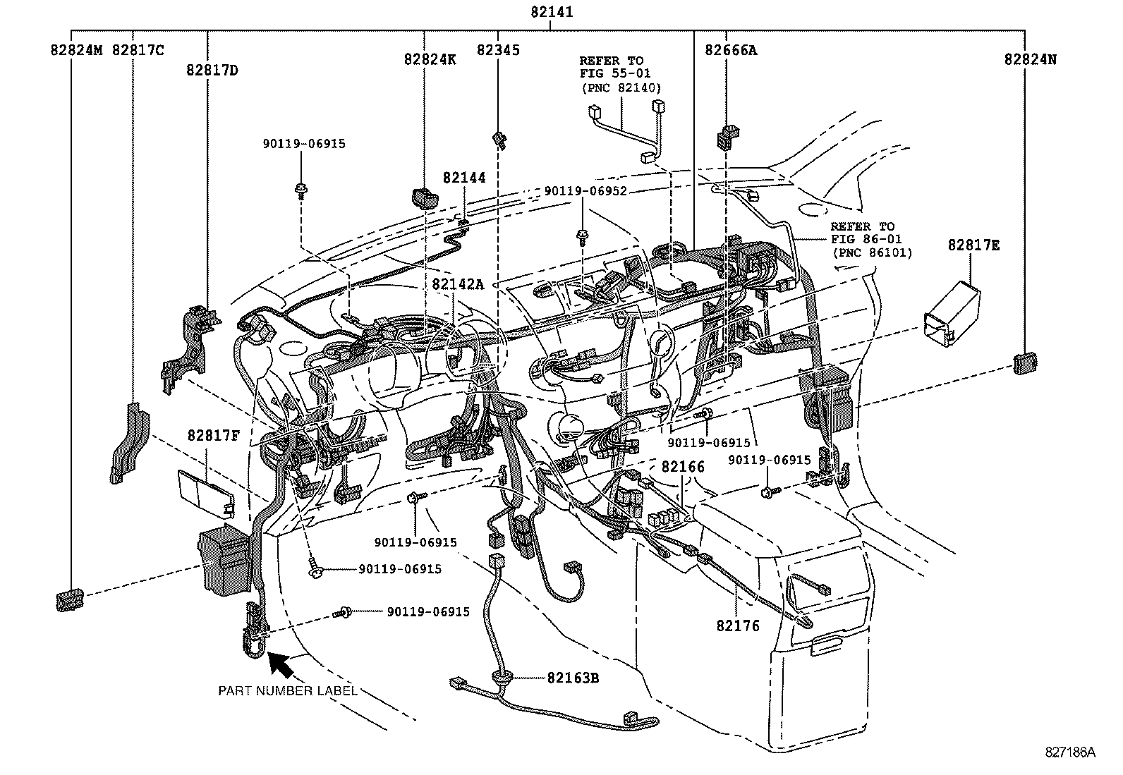
INSTRUMENT PANEL & CONSOLE BOX ILLUST NO. 3 OF10(1008- )

 HIGHLANDER JPP |  WIRING CLAMP ** Refer Fig 82141 - WIRE, INSTRUMENT PANEL 82142A - WIRE, INSTRUMENT PANEL, NO.2 82144 - WIRE, INSTRUMENT PANEL, NO.4 82163B - WIRE, FLOOR NO.5 82166 - WIRE, CONSOLE BOX 82176 - WIRE, RR CONSOLE BOX 82345 - DIODE 82666A - HOLDER, CONNECTOR NO.2 82817C - PROTECTOR, WIRING HARNESS, NO.4 82817D - PROTECTOR, WIRING HARNESS, NO.5 82817E - PROTECTOR, WIRING HARNESS, NO.6 82817F - PROTECTOR, WIRING HARNESS, NO.7 82824K - CONNECTOR, WIRING HARNESS 82824M - CONNECTOR, WIRING HARNESS 82824N - CONNECTOR, WIRING HARNESS ** Refer Fig  ** Std Part  ** Std Part  ** Std Part  ** Std Part  ** Std Part  ** Std Part  ** Std Part

Register

Nick (login)
Password
Full name
eMail
Phone
Country

Login

Nick (login)
Password