TOYOTA PRIUS PLUG IN HBD ZVW35L-BHXEBA / ELECTRICAL / BATTERY BATTERY CABLE

Toyota Land Cruiser genuine parts

Toyota - LEXUS genuine parts

BATTERY BATTERY CABLE

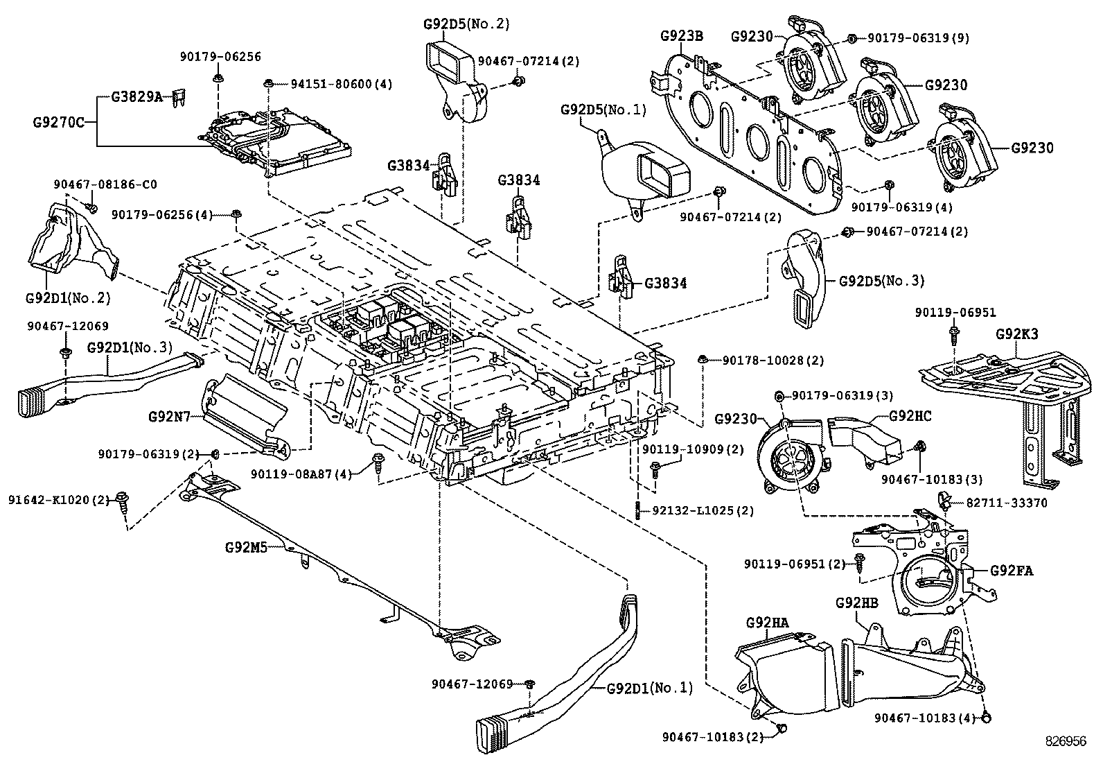
HV BATTERY ILLUST NO. 3 OF 4(0912- )

 PRIUS PLUG IN HBD |  BATTERY BATTERY CABLE  ** Std Part  ** Std Part  ** Std Part  ** Std Part  ** Std Part  ** Std Part  ** Std Part  ** Std Part  ** Std Part  ** Std Part  ** Std Part  ** Std Part  ** Std Part  ** Std Part  ** Std Part  ** Std Part  ** Std Part  ** Std Part  ** Std Part  ** Std Part  ** Std Part  ** Std Part  ** Std Part  ** Std Part G3829A - FUSE, ELECTRIC VEHICLE G3834 - GRIP, SERVICE PLUG G3834 - GRIP, SERVICE PLUG G3834 - GRIP, SERVICE PLUG G9230 - BLOWER ASSY, BATTERY COOLING G9230 - BLOWER ASSY, BATTERY COOLING G9230 - BLOWER ASSY, BATTERY COOLING G9230 - BLOWER ASSY, BATTERY COOLING G923B - BRACKET, BATTERY COOLING BLOWER G9270C - CONVERTER, HYBRID VEHICLE G92D1 - DUCT, HYBRID BATTERY INTAKE, NO.1 G92D1 - DUCT, HYBRID BATTERY INTAKE, NO.1 G92D1 - DUCT, HYBRID BATTERY INTAKE, NO.1 G92D5 - DUCT, HYBRID BATTERY INTAKE, NO.5 G92D5 - DUCT, HYBRID BATTERY INTAKE, NO.5 G92D5 - DUCT, HYBRID BATTERY INTAKE, NO.5 G92FA - BRACKET, CONVERTER COOLING BLOWER G92HA - DUCT, CONVERTER COOLING EXHAUST G92HB - DUCT, CONVERTER COOLING EXHAUST, NO.2 G92HC - DUCT, CONVERTER COOLING EXHAUST, NO.3 G92K3 - BRACKET, HYBRID BATTERY CARRIER, NO.1 G92M5 - REINFORCEMENT, HV BATTERY CARRIER G92N7 - PANEL, HYBRID BATTERY FRONT COVER

Register

Nick (login)
Password
Full name
eMail
Phone
Country

Login

Nick (login)
Password