TOYOTA ESTIMA HYBRID AHR20W-GFXSB / ELECTRICAL / HV INVERTER

Toyota Land Cruiser genuine parts

Toyota - LEXUS genuine parts

HV INVERTER

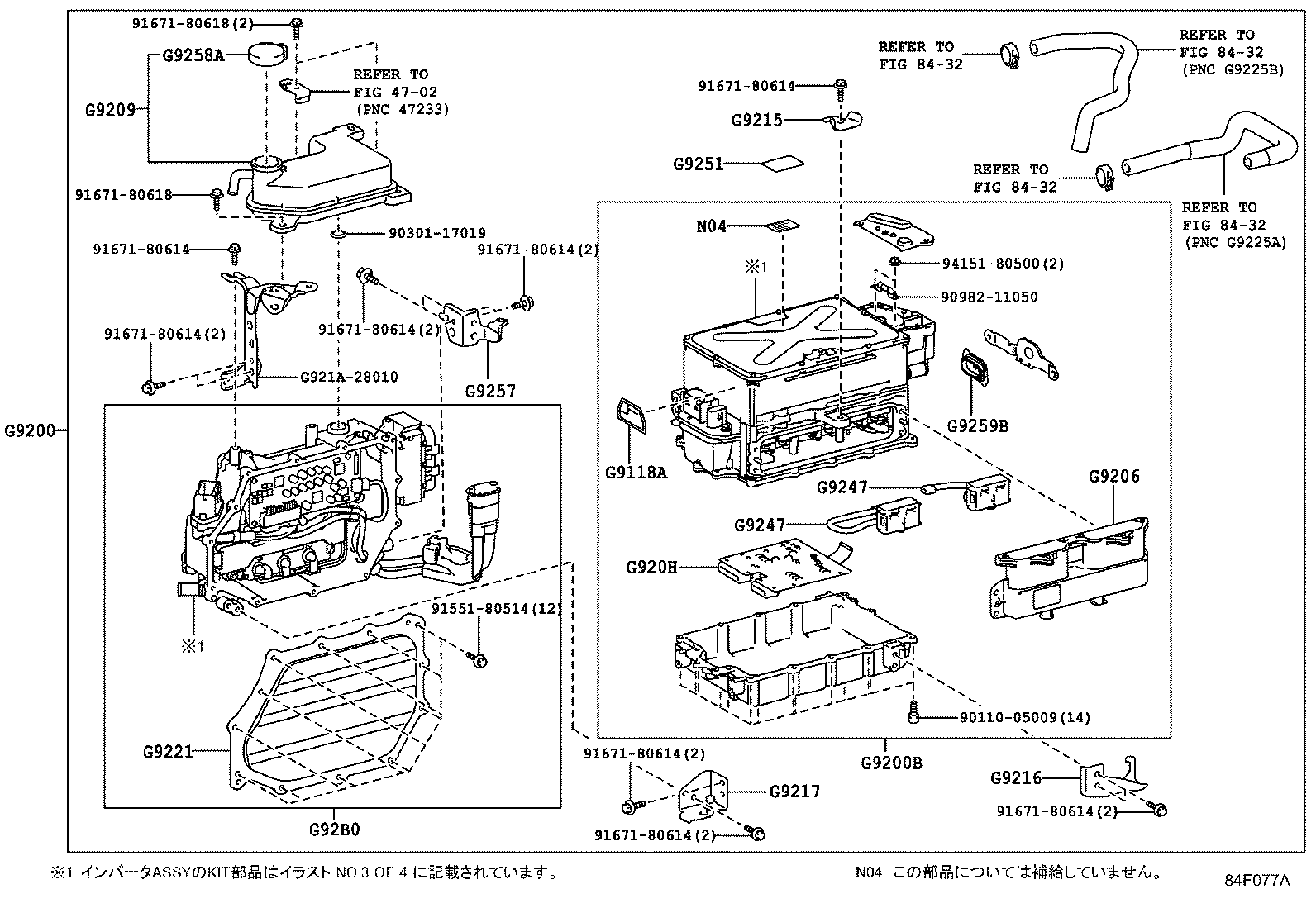
インバータASSY ILLUST NO. 2 OF 4(0606- )

 ESTIMA HYBRID |  HV INVERTER ** Refer Fig ** Refer Fig ** Refer Fig ** Refer Fig ** Refer Fig  ** Std Part  ** Std Part  ** Std Part  ** Std Part  ** Std Part  ** Std Part  ** Std Part  ** Std Part  ** Std Part  ** Std Part  ** Std Part  ** Std Part  ** Std Part  ** Std Part  ** Std Part G9118A - LABEL, ELECTRIC VEHICLE UNIT CONTROLLER CAUTION, NO.1 G9200 - INVERTER ASSY, W/CONVERTER G9200B - INVERTER ASSY, HV MOTOR CONTROL, FR G9206 - CONNECTOR SUB-ASSY, INVERTER W/SENSOR G9209 - TANK SUB-ASSY, INVERTER RESERVE G920H - COMPUTER SUB-ASSY, MOTOR GENERATOR CONTROL G9215 - BRACKET, INVERTER, NO.2 G9216 - BRACKET, INVERTER, NO.3 G9217 - BRACKET, INVERTER, NO.4  ** Std Part G9221 - COVER, INVERTER G9247 - SENSOR, INVERTER CURRENT, NO.1 G9247 - SENSOR, INVERTER CURRENT, NO.1 G9251 - SEAT, INVERTER NAME G9257 - BRACKET, INVERTER, NO.5 G9258A - CAP, INVERTER RESERVE TANK G9259B - PLUG, INVERTER DRAIN G92B0 - INVERTER ASSY, HYBRID MOTOR CONTROL, REAR

Register

Nick (login)
Password
Full name
eMail
Phone
Country

Login

Nick (login)
Password