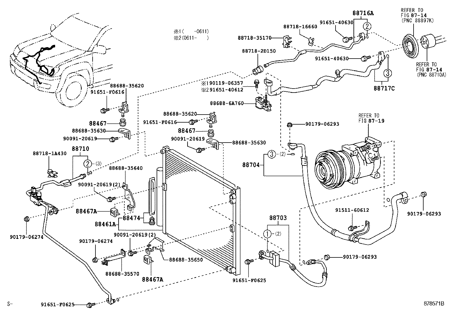
TOYOTA HILUX SURF TRN210W-GKPXK / ELECTRICAL / HEATING AIR CONDITIONING COOLER PIPING

Toyota Land Cruiser genuine parts

Toyota - LEXUS genuine parts

HEATING AIR CONDITIONING COOLER PIPING

ILLUST NO. 1 OF 2(0601- )TRN21#

 HILUX SURF |  HEATING AIR CONDITIONING COOLER PIPING ** Refer Fig ** Refer Fig ** Refer Fig 88461A - CORE, COOLER CONDENSER 88467 - CUSHION, COOLER CONDENSER, NO.1 88467 - CUSHION, COOLER CONDENSER, NO.1 88467A - CUSHION, COOLER CONDENSER, NO.2 88467A - CUSHION, COOLER CONDENSER, NO.2 88474 - DRYER, COOLER  ** Std Part  ** Std Part  ** Std Part  ** Std Part  ** Std Part  ** Std Part  ** Std Part  ** Std Part 88703 - HOSE SUB-ASSY, DISCHARGE 88704 - HOSE SUB-ASSY, SUCTION 88710 - TUBE ASSY, AIRCONDITIONER 88716A - PIPE, COOLER REFRIGERANT LIQUID, A 88717C - PIPE, COOLER REFRIGERANT SUCTION, C  ** Std Part  ** Std Part  ** Std Part  ** Std Part  ** Std Part  ** Std Part  ** Std Part  ** Std Part  ** Std Part  ** Std Part  ** Std Part  ** Std Part  ** Std Part  ** Std Part  ** Std Part  ** Std Part  ** Std Part  ** Std Part  ** Std Part  ** Std Part  ** Std Part  ** Std Part

Register

Nick (login)
Password
Full name
eMail
Phone
Country

Login

Nick (login)
Password