TOYOTA TOYOACE RY32-JDB3 / ELECTRICAL / RADIO RECEIVER AMPLIFIER CONDENSER

Toyota Land Cruiser genuine parts

Toyota - LEXUS genuine parts

RADIO RECEIVER AMPLIFIER CONDENSER

ILLUST NO. 2 OF 2(7903- )

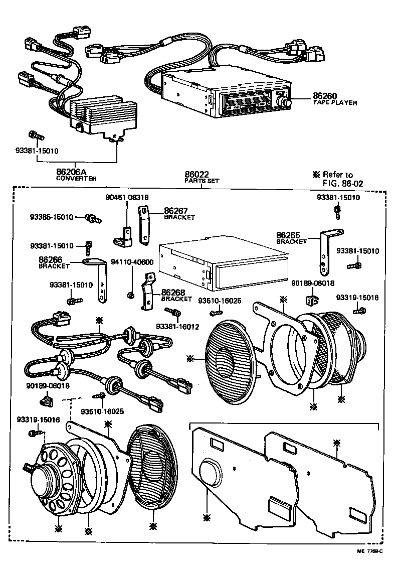
 TOYOACE |  RADIO RECEIVER AMPLIFIER CONDENSER ** Refer Fig 86022 - PARTS SET, TAPE PLAYER SETTING 86206A - CONVERTER SUB-ASSY, VOLTAGE 86260 - TAPE PLAYER ASSY 86265 - BRACKET, TAPE PLAYER, NO.1 86266 - BRACKET, TAPE PLAYER, NO.2 86267 - BRACKET, TAPE PLAYER, NO.3 86268 - BRACKET, TAPE PLAYER, NO.4  ** Std Part  ** Std Part  ** Std Part  ** Std Part  ** Std Part  ** Std Part  ** Std Part  ** Std Part  ** Std Part  ** Std Part  ** Std Part  ** Std Part  ** Std Part  ** Std Part  ** Std Part

Register

Nick (login)
Password
Full name
eMail
Phone
Country

Login

Nick (login)
Password