TOYOTA AVENSIS AZT250L-AEPNK / ELECTRICAL / HEATING AIR CONDITIONING COOLER UNIT

Toyota Land Cruiser genuine parts

Toyota - LEXUS genuine parts

HEATING AIR CONDITIONING COOLER UNIT

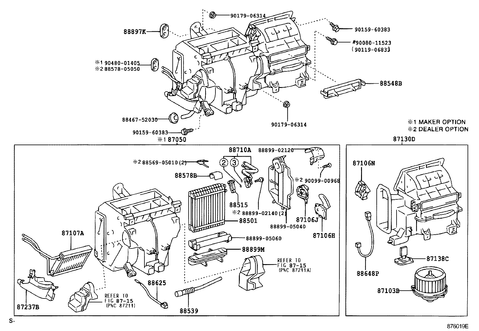
MANUAL AIR CONDITIONER ILLUST NO. 1 OF 2(0301-0604)LHD

 AVENSIS |  HEATING AIR CONDITIONING COOLER UNIT 87050 - RADIATOR ASSY, AIR CONDITIONER 87103B - MOTOR SUB-ASSY, BLOWER W/FAN 87106H - SERVO SUB-ASSY, DAMPER(FOR AIRMIX) 87106J - SERVO SUB-ASSY, DAMPER(FOR MODE) 87106N - SERVO SUB-ASSY, DAMPER(FOR RECIRCULATION) 87107A - UNIT SUB-ASSY, HEATER RADIATOR 87130D - BLOWER ASSY 87138C - RESISTOR, BLOWER ** Refer Fig ** Refer Fig 87237B - COVER, HEATER PIPING  ** Std Part 88501 - EVAPORATOR SUB-ASSY, COOLER, NO.1 88515 - VALVE, COOLER EXPANSION 88539 - HOSE, COOLER UNIT DRAIN, NO.1 88548B - CASE, AIR FILTER  ** Std Part  ** Std Part 88578B - PACKING, COOLING UNIT, NO.1 88625 - THERMISTOR, COOLER, NO.1 88648P - WIRE,AIR CONDITIONER,NO.1 88710A - TUBE ASSY, AIRCONDITIONER 88897K - GROMMET, (FOR COOLER PIPE)  ** Std Part  ** Std Part  ** Std Part  ** Std Part 88899M - PLATE, COVER(FOR AIR FILTER)  ** Std Part  ** Std Part  ** Std Part  ** Std Part  ** Std Part  ** Std Part  ** Std Part  ** Std Part

Register

Nick (login)
Password
Full name
eMail
Phone
Country

Login

Nick (login)
Password