TOYOTA TERCEL AL11L-ZEMRSW / ELECTRICAL / METER

Toyota Land Cruiser genuine parts

Toyota - LEXUS genuine parts

METER

(8008- )MTM..EUR

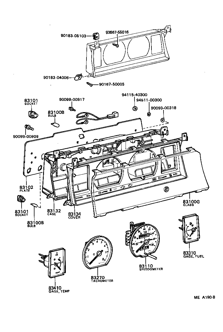
 TERCEL |  METER 83100B - BULB, COMBINATION METER, NO.1 83100B - BULB, COMBINATION METER, NO.1 83100G - GLASS, COMBINATION METER 83101 - SOCKET SUB-ASSY, COMBINATION METER BULB 83101 - SOCKET SUB-ASSY, COMBINATION METER BULB 83102 - PLATE SUB-ASSY, COMBINATION METER CIRCUIT, NO.1 83110 - SPEEDOMETER ASSY 83132 - CASE, COMBINATION METER 83134 - COVER, COMBINATION METER, NO.1 83270 - TACHOMETER ASSY, ENGINE 83310 - GAGE ASSY, FUEL RECEIVER 83410 - GAGE ASSY, WATER TEMPERATURE RECEIVER  ** Std Part  ** Std Part  ** Std Part  ** Std Part  ** Std Part  ** Std Part  ** Std Part  ** Std Part  ** Std Part

Register

Nick (login)
Password
Full name
eMail
Phone
Country

Login

Nick (login)
Password