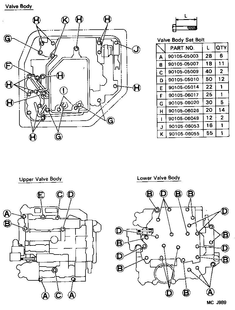
TOYOTA MR2 SW20R-ACPZKW / POWERTRAIN-CHASSIS / VALVE BODY OIL STRAINER ATM

Toyota Land Cruiser genuine parts

Toyota - LEXUS genuine parts

VALVE BODY OIL STRAINER ATM

A241L ILLUST NO. 5 OF 5(8912-9112)4FC

 MR2 |  VALVE BODY OIL STRAINER ATM  ** Std Part  ** Std Part  ** Std Part  ** Std Part  ** Std Part  ** Std Part  ** Std Part  ** Std Part  ** Std Part  ** Std Part  ** Std Part

Register

Nick (login)
Password
Full name
eMail
Phone
Country

Login

Nick (login)
Password