TOYOTA HIACE RH30RB-JRG / ELECTRICAL / WIRING CLAMP

Toyota Land Cruiser genuine parts

Toyota - LEXUS genuine parts

WIRING CLAMP

(8012- )LH20,30,RH20,22,3#,42

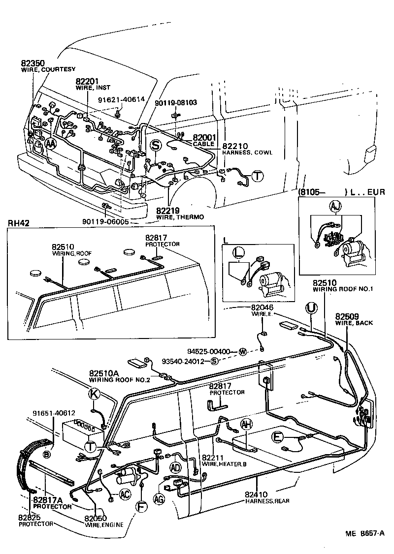
 HIACE |  WIRING CLAMP 82001 - CABLE, BOND, NO.1 82046 - WIRE SUB-ASSY, REAR WINDOW DEFOGGER EARTH 82050 - WIRE ASSY, ENGINE 82201 - WIRING SUB-ASSY, INSTRUMENT PANEL 82210 - HARNESS ASSY, WIRING COWL TO HEADLAMP, NO.1 82211 - WIRE, HEATER BLOWER FAN SWITCH 82219 - WIRE, THERMO SENSOR 82350 - WIRING ASSY, COURTESY LAMP SWITCH (FOR FR OR RR DOOR) 82410 - HARNESS ASSY, WIRING TO REAR LAMP 82509 - WIRING SUB-ASSY, BACK DOOR 82510 - WIRING ASSY, ROOF 82510 - WIRING ASSY, ROOF 82510A - WIRING ASSY, ROOF, NO.2 82817 - PROTECTOR, WIRING HARNESS, NO.1 82817 - PROTECTOR, WIRING HARNESS, NO.1 82817A - PROTECTOR, WIRING HARNESS, NO.2 82825 - PROTECTOR, WIRING HARNESS  ** Std Part  ** Std Part  ** Std Part  ** Std Part  ** Std Part  ** Std Part

Register

Nick (login)
Password
Full name
eMail
Phone
Country

Login

Nick (login)
Password