TOYOTA HIACE RH22RV-JRFQ / TOOL-ENGINE-FUEL / AIR CLEANER

Toyota Land Cruiser genuine parts

Toyota - LEXUS genuine parts

AIR CLEANER

(7706- )18R..RH22,32..ARL

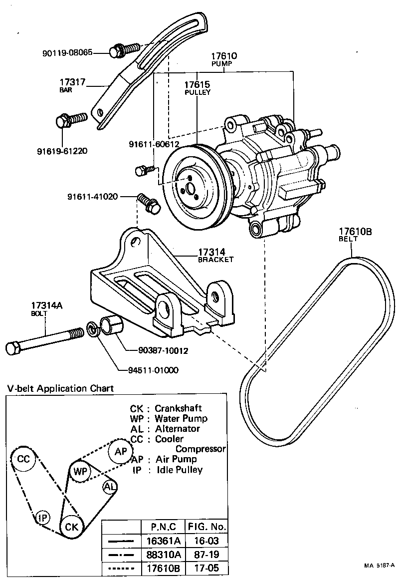
 HIACE |  AIR CLEANER ** Refer Fig 16361A - BELT, V(FOR FAN & ALTERNATOR) ** Refer Fig 17314 - BRACKET, AIR PUMP 17314A - BOLT, HEXAGON(FOR AIR PUMP BRACKET SETTING) 17317 - BAR, AIR PUMP ADJUSTING, NO.1 17610 - PUMP ASSY, AIR 17610B - BELT, V(FOR AIR PUMP) 17610B - BELT, V(FOR AIR PUMP) 17615 - PULLEY(FOR AIR PUMP) ** Refer Fig 88310A - BELT, V (COOLER COMPRESSOR TO CRANKSHAFT PULLEY), NO.1  ** Std Part  ** Std Part  ** Std Part  ** Std Part  ** Std Part  ** Std Part

Register

Nick (login)
Password
Full name
eMail
Phone
Country

Login

Nick (login)
Password