TOYOTA RACTIS NSP120-CHXXB / ELECTRICAL / HEATING AIR CONDITIONING COOLER PIPING

Toyota Land Cruiser genuine parts

Toyota - LEXUS genuine parts

HEATING AIR CONDITIONING COOLER PIPING

ILLUST NO. 1 OF 2(1405- )NSP12#

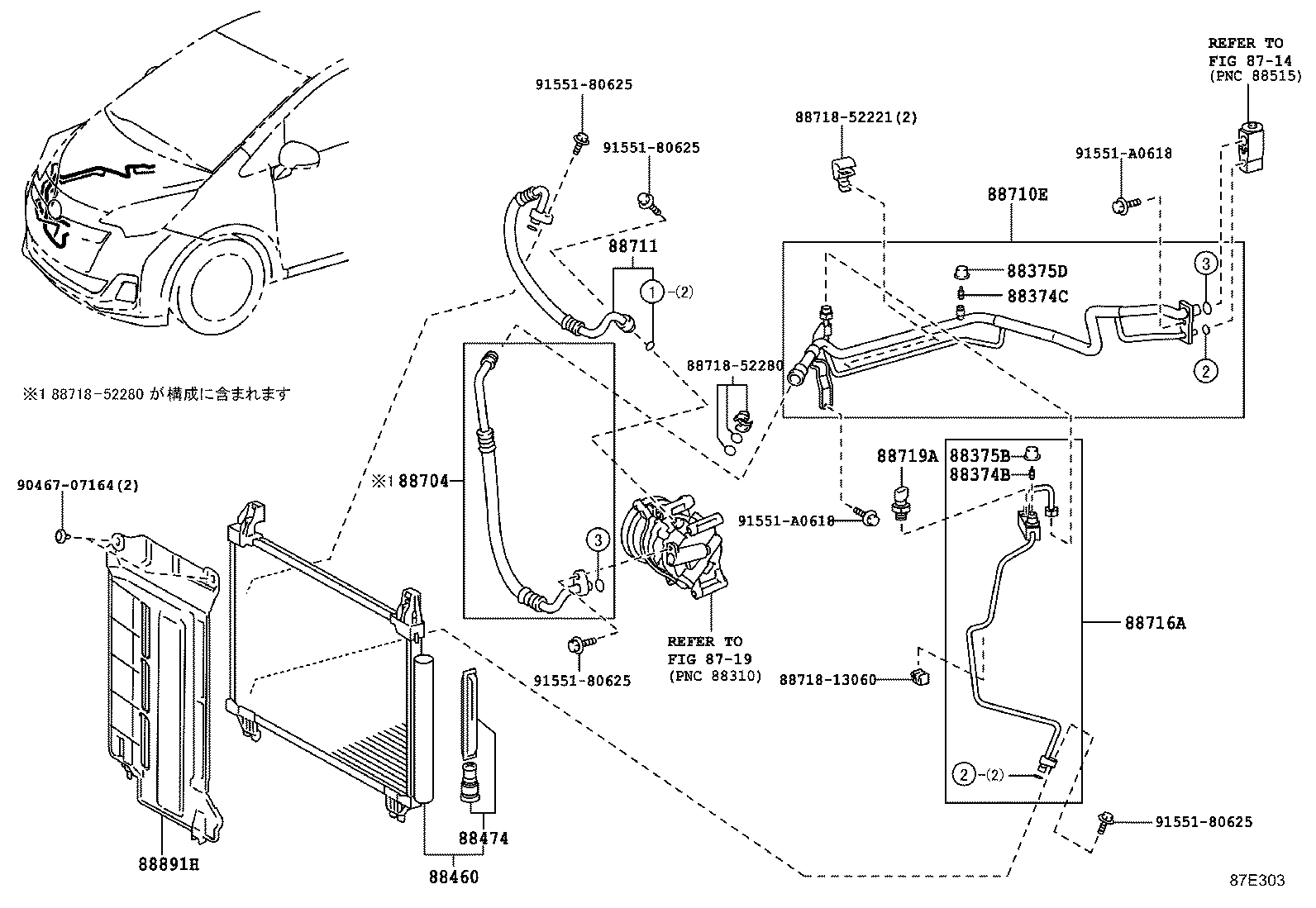
 RACTIS |  HEATING AIR CONDITIONING COOLER PIPING ** Refer Fig ** Refer Fig 88374B - VALVE, SERVICE, NO.1 88374C - VALVE, SERVICE, NO.2 88375B - CAP, SERVICE VALVE, NO.1 88375D - CAP, SERVICE VALVE, NO.2 88460 - CONDENSER ASSY, COOLER 88474 - DRYER, COOLER 88704 - HOSE SUB-ASSY, SUCTION 88710E - TUBE & ACCESSORY ASSY, AIRCONDITIONER 88711 - HOSE, COOLER REFRIGERANT DISCHARGE, NO.1 88716A - PIPE, COOLER REFRIGERANT LIQUID, A  ** Std Part  ** Std Part  ** Std Part 88719A - SENSOR, AIRCONDITIONER PRESSURE 88891H - COVER, COOLER, NO.1  ** Std Part  ** Std Part  ** Std Part  ** Std Part  ** Std Part  ** Std Part  ** Std Part

Register

Nick (login)
Password
Full name
eMail
Phone
Country

Login

Nick (login)
Password