TOYOTA PRIUS NHW20-AHEEB / ELECTRICAL / HEATING AIR CONDITIONING COOLER UNIT

Toyota Land Cruiser genuine parts

Toyota - LEXUS genuine parts

HEATING AIR CONDITIONING COOLER UNIT

ILLUST NO. 1 OF 2(0308- )

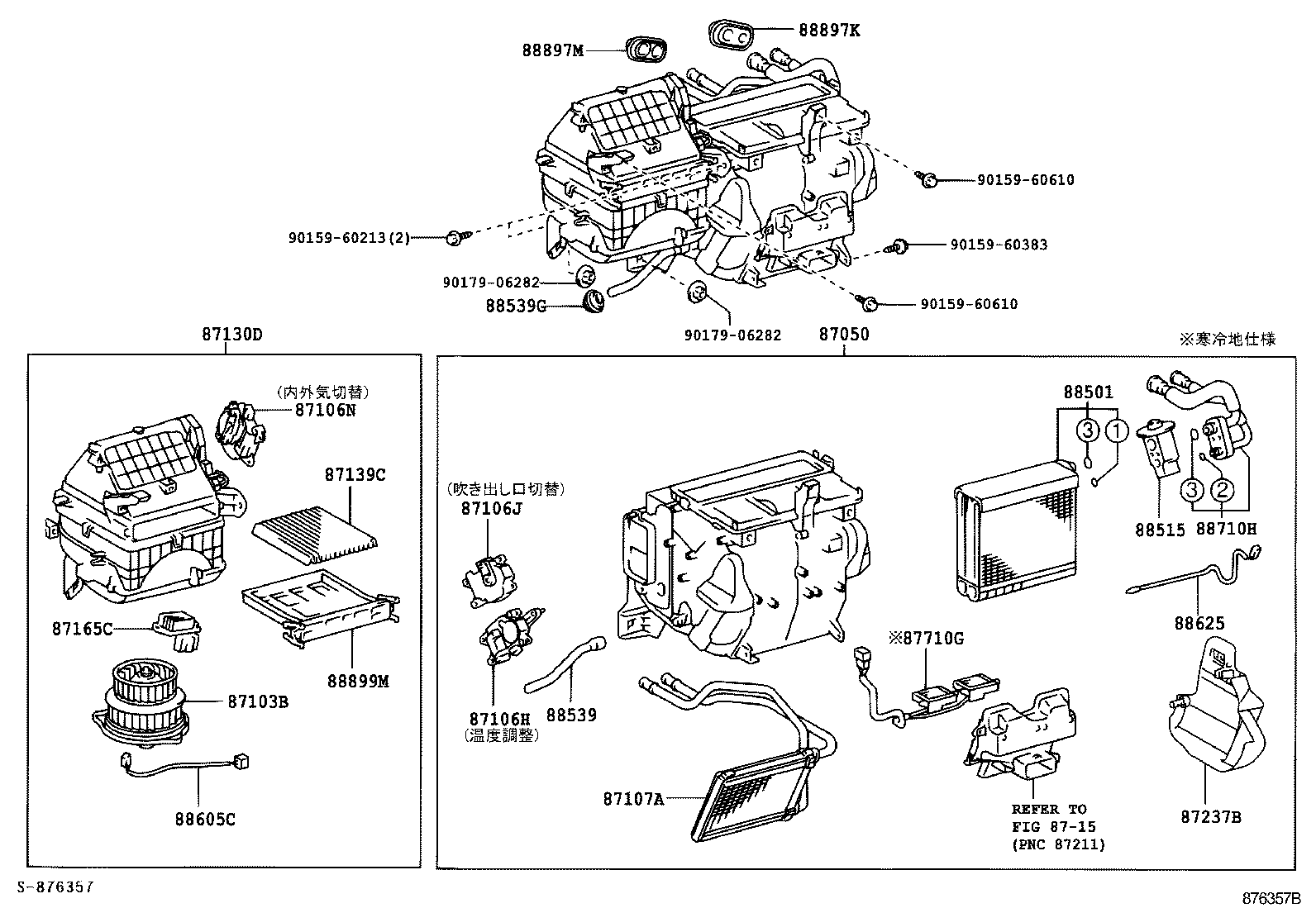
 PRIUS |  HEATING AIR CONDITIONING COOLER UNIT 87050 - RADIATOR ASSY, AIR CONDITIONER 87103B - MOTOR SUB-ASSY, BLOWER W/FAN 87106H - SERVO SUB-ASSY, DAMPER(FOR AIRMIX) 87106J - SERVO SUB-ASSY, DAMPER(FOR MODE) 87106N - SERVO SUB-ASSY, DAMPER(FOR RECIRCULATION) 87107A - UNIT SUB-ASSY, HEATER RADIATOR 87130D - BLOWER ASSY 87139C - FILTER, CLEAN AIR ** Refer Fig 87165C - CONTROL, BLOWER MOTOR 87237B - COVER, HEATER PIPING 87710G - QUICK HEATER ASSY 88501 - EVAPORATOR SUB-ASSY, COOLER, NO.1 88515 - VALVE, COOLER EXPANSION 88539 - HOSE, COOLER UNIT DRAIN, NO.1 88539G - GROMMET (FOR COOLER UNIT DRAIN HOSE) 88605C - HARNESS SUB-ASSY, COOLER WIRING, NO.2 88625 - THERMISTOR, COOLER, NO.1 88710H - TUBE & ACCESSORY ASSY, AIRCONDITIONER 88897K - GROMMET, (FOR COOLER PIPE) 88897M - GROMMET (FOR HEATER PIPE) 88899M - PLATE, COVER(FOR AIR FILTER)  ** Std Part  ** Std Part  ** Std Part  ** Std Part  ** Std Part  ** Std Part

Register

Nick (login)
Password
Full name
eMail
Phone
Country

Login

Nick (login)
Password