TOYOTA CENTURY GZG50-AEPGK / POWERTRAIN-CHASSIS / TRANSMISSION CASE OIL PAN ATM

Toyota Land Cruiser genuine parts

Toyota - LEXUS genuine parts

TRANSMISSION CASE OIL PAN ATM

A342E (9704-0501)

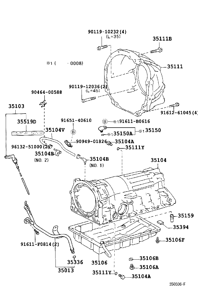
 CENTURY |  TRANSMISSION CASE OIL PAN ATM 35013 - TUBE SUB-ASSY, TRANSMISSION OIL FILLER 35103 - GAGE SUB-ASSY, TRANSMISSION OIL LEVEL 35104 - CASE SUB-ASSY, AUTOMATIC TRANSMISSION 35104A - PLUG, AUTOMATIC TRANSMISSION CASE 35104A - PLUG, AUTOMATIC TRANSMISSION CASE 35104B - PLUG, BREATHER, NO.1 (ATM) 35104B - PLUG, BREATHER, NO.1 (ATM) 35104V - HOSE (FOR BREATHER PLUG) 35106 - PAN SUB-ASSY, AUTOMATIC TRANSMISSION OIL 35106A - PLUG SUB-ASSY, DRAIN (ATM) 35106B - GASKET, DRAIN PLUG (ATM) 35106F - BOLT (FOR AUTOMATIC TRANSMISSION OIL PAN) 35111 - HOUSING, AUTOMATIC TRANSMISSION 35111B - BOLT (FOR TRANSMISSION HOUSING & ENGINE SETTING) 35111Y - RING, O (FOR AUTOMATIC TRANSMISSION CASE) 35111Y - RING, O (FOR AUTOMATIC TRANSMISSION CASE) 35150 - PLUG ASSY, TRANSMISSION CASE 35150A - RING, O (FOR AUTOMATIC TRANSMISSION CASE PLUG) 35159 - GASKET, BRAKE DRUM 35336 - RING, O (FOR TRANSMISSION OIL FILLER TUBE) 35394 - MAGNET, OIL CLEANER (FOR TRANSMISSION) 35519D - LABEL, AUTOMATIC TRANSMISSION INFORMATION  ** Std Part  ** Std Part  ** Std Part  ** Std Part  ** Std Part  ** Std Part  ** Std Part  ** Std Part  ** Std Part

Register

Nick (login)
Password
Full name
eMail
Phone
Country

Login

Nick (login)
Password