TOYOTA LAND CRUISER 100 HDJ101K-RNMEZ / ELECTRICAL / METER

Toyota Land Cruiser genuine parts

Toyota - LEXUS genuine parts

METER

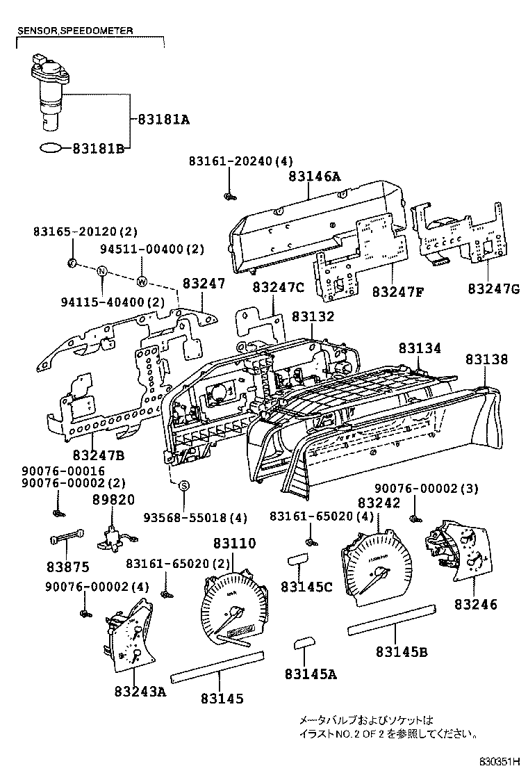
アナログメータ ILLUST NO. 1 OF 2(9801-0005)MTM

 LAND CRUISER 100 |  METER 83110 - SPEEDOMETER ASSY 83132 - CASE, COMBINATION METER 83134 - COVER, COMBINATION METER, NO.1 83138 - GLASS, SPEEDOMETER 83145 - LENS, METER, NO.1 83145A - LENS, METER, NO.2 83145B - LENS, METER, NO.3 83145C - LENS, METER, NO.4 83146A - COVER, SPEEDMETER  ** Std Part  ** Std Part  ** Std Part  ** Std Part 83181A - SENSOR, SPEEDOMETER 83181B - RING, O (FOR SPEEDOMETER SENSOR) 83242 - TACHOMETER ASSY, ENGINE 83243A - GAUGE SUB-ASSY, FUEL RECEIVER 83246 - GAUGE, OIL PRESSURE RECEIVER 83247 - PLATE, METER CIRCUIT 83247B - PLATE, METER CIRCUIT, NO.2 83247C - PLATE, MATER CIRCUIT, NO.3 83247F - PLATE, METER CIRCUIT, NO.1 (FOR COMPUTER) 83247G - PLATE, METER CIRCUIT, NO.2 (FOR COMPUTER) 83875 - WIRE, COMBINATION METER, NO.1 89820 - SENSOR ASSY, INCLINATION  ** Std Part  ** Std Part  ** Std Part  ** Std Part  ** Std Part  ** Std Part  ** Std Part

Register

Nick (login)
Password
Full name
eMail
Phone
Country

Login

Nick (login)
Password