TOYOTA COASTER BB40-BRMRS / TOOL-ENGINE-FUEL / TIMING GEAR COVER REAR END PLATE

Toyota Land Cruiser genuine parts

Toyota - LEXUS genuine parts

TIMING GEAR COVER REAR END PLATE

(9301-9505)3B

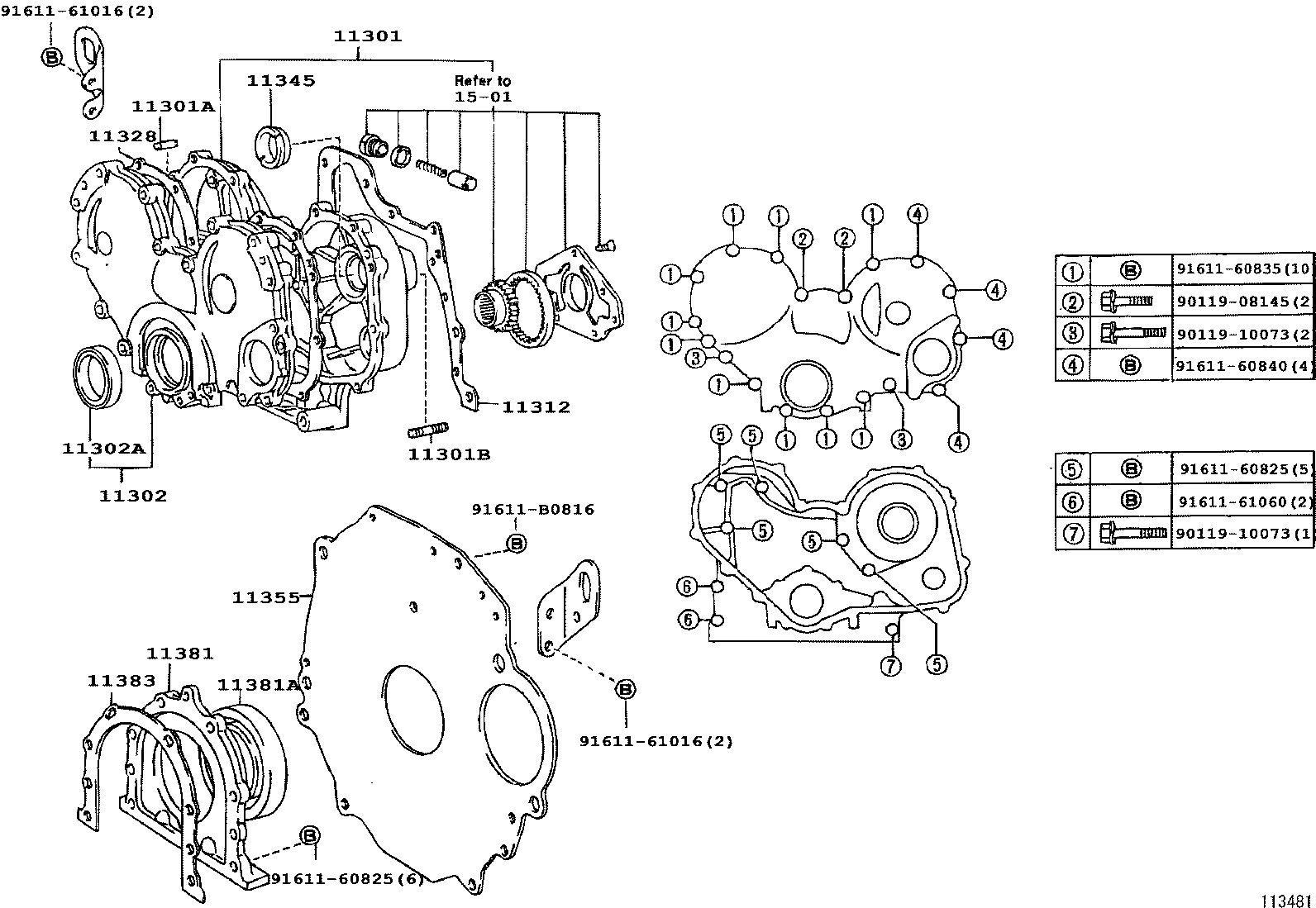
 COASTER |  TIMING GEAR COVER REAR END PLATE 11301 - CASE SUB-ASSY, TIMING GEAR 11301A - PIN, STRAIGHT(FOR TIMING GEAR CASE) 11301B - BOLT,STUD(FOR TIMING GEAR CASE) 11302 - COVER SUB-ASSY, TIMING CHAIN OR BELT 11302A - SEAL, OIL(FOR TIMING CHAIN OR BELT COVER) 11312 - GASKET, FRONT END PLATE 11328 - GASKET, TIMING GEAR OR CHAIN COVER 11345 - BEARING, INJECTION PUMP GEAR THRUST 11355 - PLATE, REAR END 11381 - RETAINER, ENGINE REAR OIL SEAL 11381A - SEAL, ENGINE REAR OIL 11383 - GASKET, ENGINE REAR OIL SEAL RETAINER ** Refer Fig  ** Std Part  ** Std Part  ** Std Part  ** Std Part  ** Std Part  ** Std Part  ** Std Part  ** Std Part  ** Std Part  ** Std Part  ** Std Part

Register

Nick (login)
Password
Full name
eMail
Phone
Country

Login

Nick (login)
Password