TOYOTA SOARER GZ20-HCPGE / TOOL-ENGINE-FUEL / FUEL INJECTION SYSTEM

Toyota Land Cruiser genuine parts

Toyota - LEXUS genuine parts

FUEL INJECTION SYSTEM

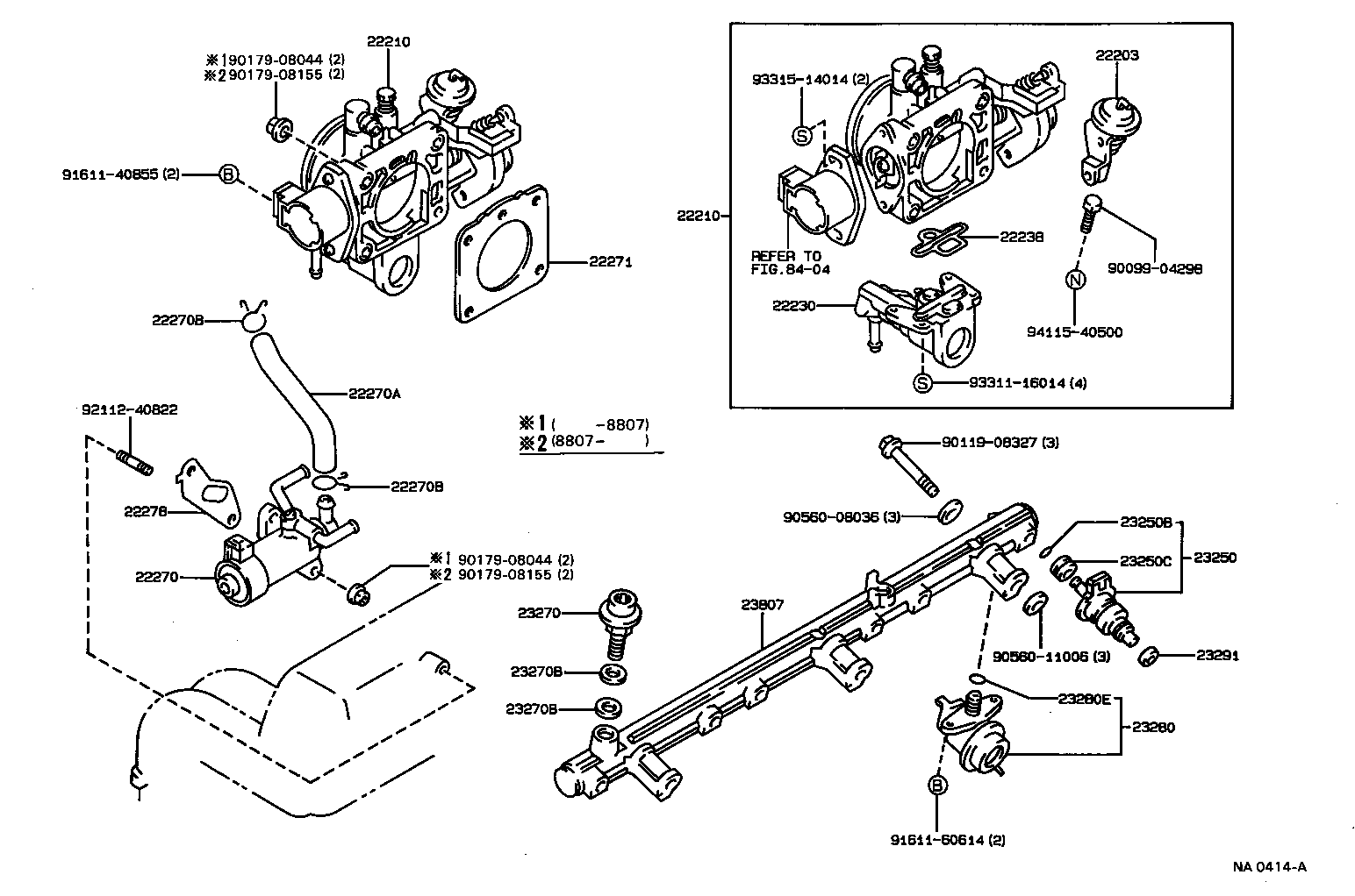
ILLUST NO. 1 OF 4(8801- )1GEU

 SOARER |  FUEL INJECTION SYSTEM 22203 - DASH POT SUB-ASSY(FOR THROTTLE BODY) 22210 - BODY ASSY, THROTTLE 22210 - BODY ASSY, THROTTLE 22230 - VALVE ASSY, AUXILIARY AIR 22238 - GASKET, AUXILIARY AIR VALVE 22270 - VALVE ASSY, IDLE SPEED CONTROL(FOR THLOTTLE BODY) 22270A - HOSE, AIR, NO.1(FOR IDLE SPEED CONTROL VALVE) 22270B - CLIP(FOR AIR HOSE) 22270B - CLIP(FOR AIR HOSE) 22271 - GASKET, THROTTLE BODY 22278 - GASKET, IDLE SPEED CONTROL VALVE 23250 - INJECTOR ASSY, FUEL 23250B - RING, O(FOR FUEL INJECTOR) 23250C - GROMMET(FOR FUEL INJECTOR) 23270 - DAMPER ASSY, FUEL PRESSURE PULSATION 23270B - GASKET(FOR PULSATION DAMPER HOSE) 23270B - GASKET(FOR PULSATION DAMPER HOSE) 23280 - REGULATOR ASSY, FUEL PRESSURE 23280E - RING, O(FOR FUEL PRESSURE REGULATOR) 23291 - INSULATOR, INJECTOR VIBRATION 23807 - PIPE SUB-ASSY, FUEL DELIVERY ** Refer Fig  ** Std Part  ** Std Part  ** Std Part  ** Std Part  ** Std Part  ** Std Part  ** Std Part  ** Std Part  ** Std Part  ** Std Part  ** Std Part  ** Std Part  ** Std Part  ** Std Part

Register

Nick (login)
Password
Full name
eMail
Phone
Country

Login

Nick (login)
Password