TOYOTA HILUX LN130G-GJMGX / TOOL-ENGINE-FUEL / AIR CLEANER

Toyota Land Cruiser genuine parts

Toyota - LEXUS genuine parts

AIR CLEANER

(8904-9008)2LT

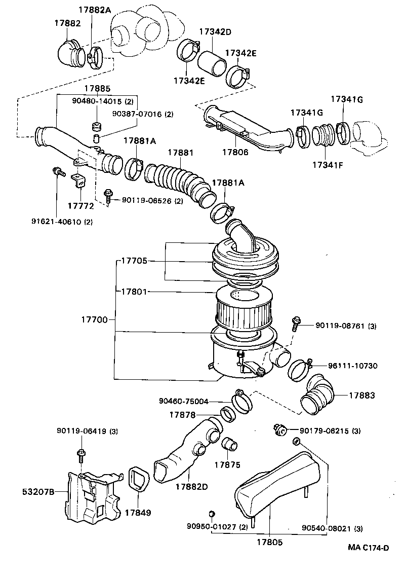
 HILUX |  AIR CLEANER 17341F - HOSE, AIR, NO.1 17341G - CLAMP OR CLIP(FOR AIR HOSE, NO.1) 17341G - CLAMP OR CLIP(FOR AIR HOSE, NO.1) 17342D - HOSE, AIR, NO.2 17342E - CLAMP OR CLIP(FOR AIR HOSE, NO.2) 17342E - CLAMP OR CLIP(FOR AIR HOSE, NO.2) 17700 - CLEANER ASSY, AIR 17705 - CAP SUB-ASSY, AIR CLEANER 17772 - BRACKET, INTAKE AIR CONNECTOR, NO.2 17801 - ELEMENT SUB-ASSY, AIR CLEANER FILTER 17805 - CONNECTOR SUB-ASSY, INTAKE AIR 17806 - PIPE SUB-ASSY, AIR CLEANER, NO.2 17849 - GASKET, INTAKE AIR CONNECTOR 17875 - PIPE, INTAKE AIR CONNECTOR 17878 - PIPE, INTAKE AIR CONNECTOR, NO.3 17881 - HOSE, AIR CLEANER, NO.1 17881A - CLAMP(FOR AIR CLEANER HOSE, NO.1) 17881A - CLAMP(FOR AIR CLEANER HOSE, NO.1) 17882 - HOSE, AIR CLEANER, NO.2 17882A - CLAMP(FOR AIR CLEANER HOSE, NO.2) 17882D - HOSE, COOL AIR INTAKE 17883 - HOSE, AIR CLEANER, NO.3 17885 - PIPE, AIR CLEANER 53207B - DUCT SUB-ASSY, COOL AIR  ** Std Part  ** Std Part  ** Std Part  ** Std Part  ** Std Part  ** Std Part  ** Std Part  ** Std Part  ** Std Part  ** Std Part  ** Std Part

Register

Nick (login)
Password
Full name
eMail
Phone
Country

Login

Nick (login)
Password