TOYOTA HIACE TRUCK LH85-MDB3 / POWERTRAIN-CHASSIS / CLUTCH HOUSING TRANSMISSION CASE MTM

Toyota Land Cruiser genuine parts

Toyota - LEXUS genuine parts

CLUTCH HOUSING TRANSMISSION CASE MTM

(8710- )LH85,95

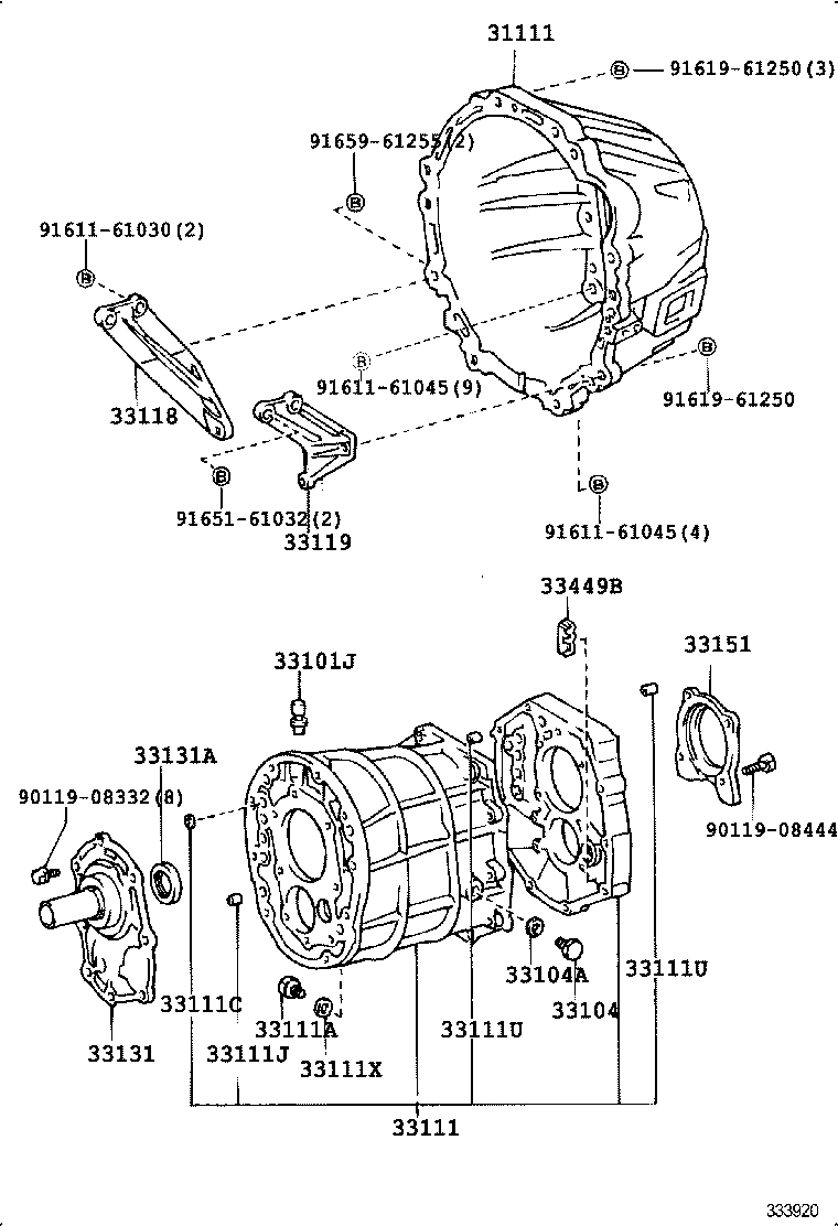
 HIACE TRUCK |  CLUTCH HOUSING TRANSMISSION CASE MTM 31111 - HOUSING, CLUTCH 33101J - PLUG, BREATHER 33104 - PLUG SUB-ASSY, DRAIN(MTM) 33104A - GASKET, DRAIN PLUG(MTM) 33111 - CASE, MANUAL TRANSMISSION 33111A - PLUG, MANUAL TRANSMISSION CASE 33111C - PLUG(FOR TRANSMISSION CASE) 33111J - PIN, STRAIGHT(FOR MANUAL TRANSMISSION CASE) 33111U - PIN, RING(FOR MANUAL TRANSMISSION CASE) 33111U - PIN, RING(FOR MANUAL TRANSMISSION CASE) 33111X - GASKET, TRANSMISSION CASE PLUG 33118 - PLATE, STIFFENER, RH(MTM) 33119 - PLATE, STIFFENER, LH(MTM) 33131 - RETAINER, BEARING, FRONT(MTM) 33131A - SEAL, OIL(FOR TRANSMISSION FRONT BEARING RETAINER) 33151 - RETAINER, OUTPUT SHAFT REAR BEARING(MTM) 33449B - MAGNET, TRANSMISSION  ** Std Part  ** Std Part  ** Std Part  ** Std Part  ** Std Part  ** Std Part  ** Std Part  ** Std Part  ** Std Part

Register

Nick (login)
Password
Full name
eMail
Phone
Country

Login

Nick (login)
Password