TOYOTA CROWN LS130-AEJRS / TOOL-ENGINE-FUEL / AIR CLEANER

Toyota Land Cruiser genuine parts

Toyota - LEXUS genuine parts

AIR CLEANER

(8709-8908)2L

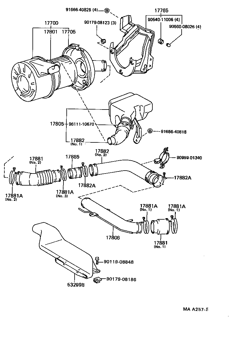
 CROWN |  AIR CLEANER 17700 - CLEANER ASSY, AIR 17705 - CAP SUB-ASSY, AIR CLEANER 17765 - STAY, AIR CLEANER, NO.1 17801 - ELEMENT SUB-ASSY, AIR CLEANER FILTER 17805 - CONNECTOR SUB-ASSY, INTAKE AIR 17806 - PIPE SUB-ASSY, AIR CLEANER, NO.2 17881 - HOSE, AIR CLEANER, NO.1 17881 - HOSE, AIR CLEANER, NO.1 17881A - CLAMP(FOR AIR CLEANER HOSE, NO.1) 17881A - CLAMP(FOR AIR CLEANER HOSE, NO.1) 17881A - CLAMP(FOR AIR CLEANER HOSE, NO.1) 17881A - CLAMP(FOR AIR CLEANER HOSE, NO.1) 17882 - HOSE, AIR CLEANER, NO.2 17882 - HOSE, AIR CLEANER, NO.2 17882A - CLAMP(FOR AIR CLEANER HOSE, NO.2) 17882A - CLAMP(FOR AIR CLEANER HOSE, NO.2) 17885 - PIPE, AIR CLEANER 53299B - DUCT, COOL AIR INTAKE  ** Std Part  ** Std Part  ** Std Part  ** Std Part  ** Std Part  ** Std Part  ** Std Part  ** Std Part  ** Std Part

Register

Nick (login)
Password
Full name
eMail
Phone
Country

Login

Nick (login)
Password