TOYOTA HIACE QUICK DELIVERY LH80VH-QNLTF / ELECTRICAL / WIRING CLAMP

Toyota Land Cruiser genuine parts

Toyota - LEXUS genuine parts

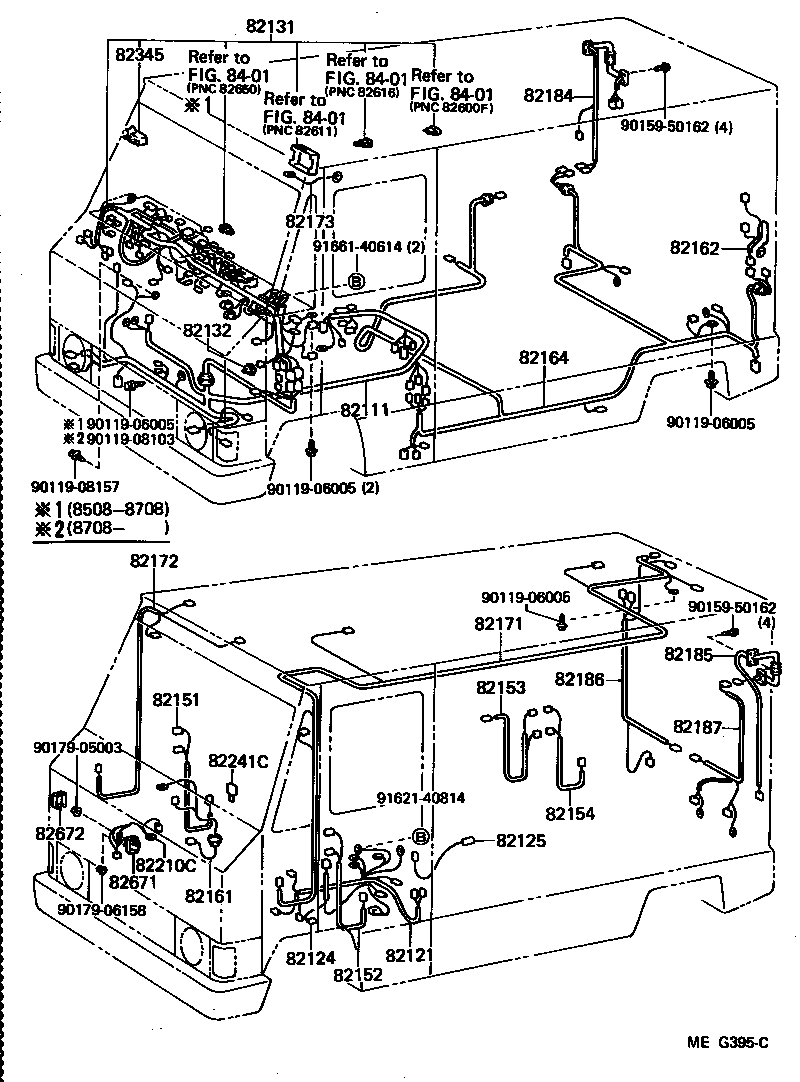
WIRING CLAMP

ILLUST NO. 1 OF 3(8508-8808)

 HIACE QUICK DELIVERY |  WIRING CLAMP 82111 - WIRE, ENGINE ROOM MAIN 82121 - WIRE, ENGINE 82124 - WIRE, ENGINE, NO.4 82125 - WIRE, TRANSMISSION 82131 - WIRE, COWL 82132 - WIRE, COWL, NO.2 82151 - WIRE, FRONT DOOR, RH 82152 - WIRE, FRONT DOOR, LH 82153 - WIRE, REAR DOOR, NO.1 82154 - WIRE, REAR DOOR, NO.2 82161 - WIRE, FLOOR 82162 - WIRE, FLOOR, NO.2 82164 - WIRE, FRAME 82171 - WIRE, ROOF, NO.1 82172 - WIRE, ROOF, NO.2 82173 - WIRE, ROOF, NO.3 82184 - WIRE, BACK DOOR, NO.1 82185 - WIRE, BACK DOOR, NO.2 82186 - WIRE, REAR WINDOW, NO.1 82187 - WIRE, REAR WINDOW, NO.2 82210C - FUSIBLE LINK 82241C - WIRE, RELAY 82345 - DIODE 82671 - BLOCK, JUNCTION 82672 - COVER, JUNKTION BLOCK ** Refer Fig ** Refer Fig ** Refer Fig ** Refer Fig  ** Std Part  ** Std Part  ** Std Part  ** Std Part  ** Std Part  ** Std Part  ** Std Part  ** Std Part  ** Std Part  ** Std Part  ** Std Part  ** Std Part

Register

Nick (login)
Password
Full name
eMail
Phone
Country

Login

Nick (login)
Password