TOYOTA CARINA ED ST160-ATPGL / TOOL-ENGINE-FUEL / DISTRIBUTOR

Toyota Land Cruiser genuine parts

Toyota - LEXUS genuine parts

DISTRIBUTOR

(8708-8805)1SILU

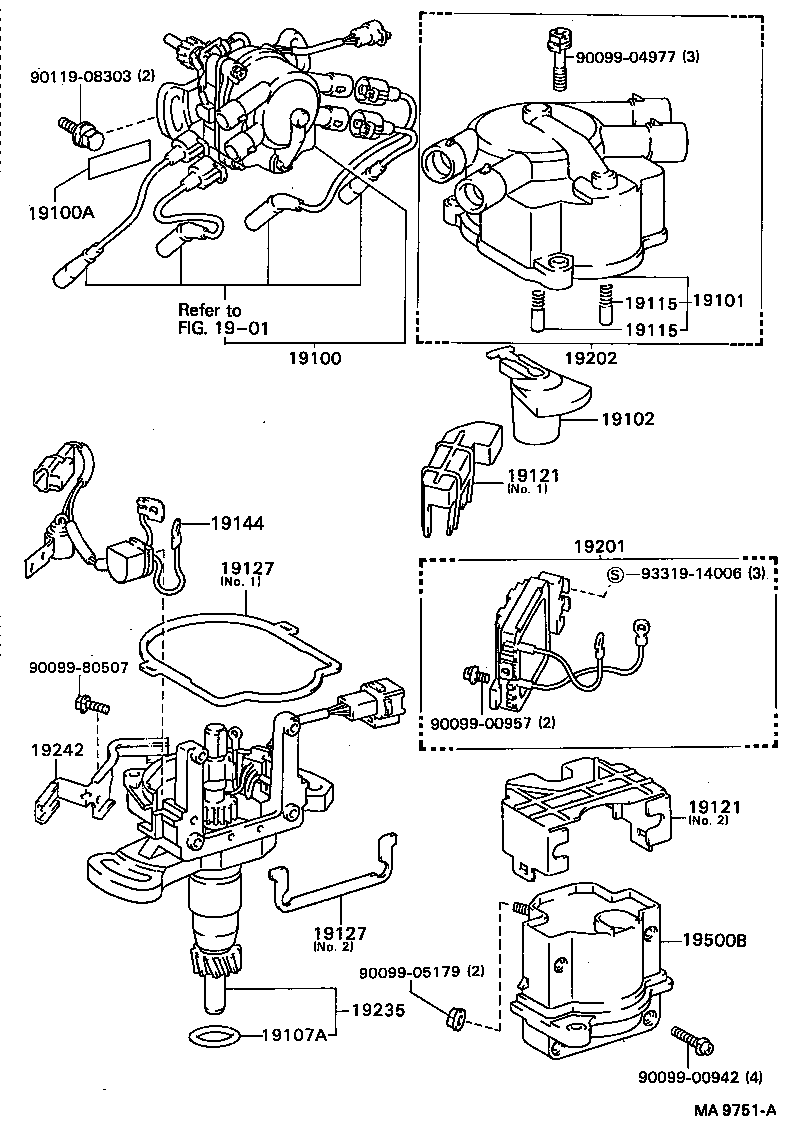
 CARINA ED |  DISTRIBUTOR ** Refer Fig 19100 - DISTRIBUTOR ASSY 19100A - TAPE, SEALING 19101 - CAP SUB-ASSY, DISTRIBUTOR 19102 - ROTOR SUB-ASSY, DISTRIBUTOR 19107A - RING, O, DISTRIBUTOR HOUSING 19115 - PIECE, DISTRIBUTOR CAP, CENTER 19115 - PIECE, DISTRIBUTOR CAP, CENTER 19121 - COVER, DUST PROOF 19121 - COVER, DUST PROOF 19127 - PACKING, DUST PROOF 19127 - PACKING, DUST PROOF 19144 - LEAD, DISTRIBUTOR BREAKER 19201 - IGNITER 19202 - CAP KIT(FOR DISTRIBUTOR) 19235 - HOUSING, DISTRIBUTOR 19242 - CLAMP, CORD 19500B - COIL ASSY, IGNITION  ** Std Part  ** Std Part  ** Std Part  ** Std Part  ** Std Part  ** Std Part  ** Std Part

Register

Nick (login)
Password
Full name
eMail
Phone
Country

Login

Nick (login)
Password