TOYOTA CAMRY VISTA SV21-UTPMK / ELECTRICAL / HEATING AIR CONDITIONING HEATER UNIT BLOWER

Toyota Land Cruiser genuine parts

Toyota - LEXUS genuine parts

HEATING AIR CONDITIONING HEATER UNIT BLOWER

LEVER HEATER (8608- )LT,VC,VE,VL,XT,ZT

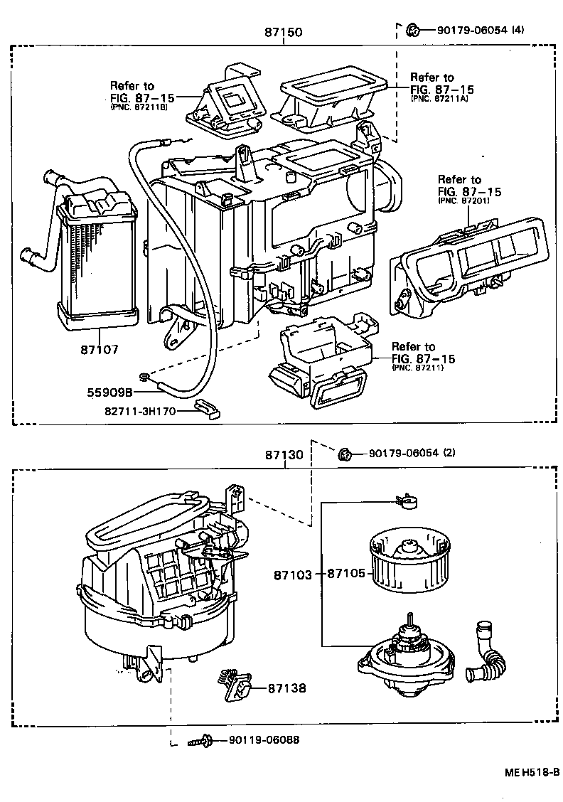
 CAMRY VISTA |  HEATING AIR CONDITIONING HEATER UNIT BLOWER 55909B - CABLE SUB-ASSY, AIRMIX DAMPER CONTROL  ** Std Part 87103 - MOTOR SUB-ASSY, HEATER BLOWER, W/FAN 87105 - FAN SUB-ASSY, HEATER BLOWER 87107 - UNIT SUB-ASSY, HEATER RADIATOR 87130 - BLOWER ASSY, HEATER, FRONT 87138 - RESISTOR, HEATER BLOWER ** Refer Fig ** Refer Fig ** Refer Fig ** Refer Fig 87150 - RADIATOR ASSY, HEATER  ** Std Part  ** Std Part  ** Std Part

Register

Nick (login)
Password
Full name
eMail
Phone
Country

Login

Nick (login)
Password