TOYOTA CAMRY VISTA SV20-UEMNL / TOOL-ENGINE-FUEL / ALTERNATOR

Toyota Land Cruiser genuine parts

Toyota - LEXUS genuine parts

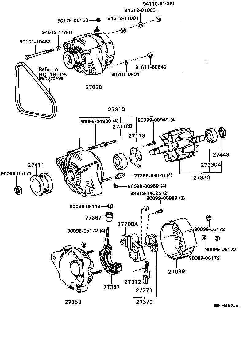
ALTERNATOR

12V 60A (8608-8805)1SI ; (8805- )1SI..5F

 CAMRY VISTA |  ALTERNATOR ** Refer Fig 27020 - ALTERNATOR ASSY 27039 - COVER, ALTERNATOR REAR END 27113 - PLATE, BEARING RETAINER, ALTERNATOR 27310 - FRAME ASSY, DRIVE END, ALTERNATOR 27310B - BEARING(FOR ALTERNATOR DRIVE END FRAME) 27330 - ROTOR ASSY, ALTERNATOR 27330A - BEARING(FOR ALTERNATOR ROTOR) 27357 - HOLDER, ALTERNATOR, W/RECTIFIER 27359 - FRAME, ALTERNATOR RECTIFIER END 27370 - HOLDER ASSY, ALTERNATOR BRUSH 27371 - BRUSH, ALTERNATOR 27372 - SPRING, ALTERNATOR BRUSH 27387 - INSULATOR, TERMINAL  ** Std Part 27411 - PULLEY, ALTERNATOR 27443 - COVER, ALTERNATOR BEARING 27700A - REGULATOR ASSY, GENERATOR  ** Std Part  ** Std Part  ** Std Part  ** Std Part  ** Std Part  ** Std Part  ** Std Part  ** Std Part  ** Std Part  ** Std Part  ** Std Part  ** Std Part  ** Std Part  ** Std Part  ** Std Part  ** Std Part  ** Std Part  ** Std Part  ** Std Part

Register

Nick (login)
Password
Full name
eMail
Phone
Country

Login

Nick (login)
Password