TOYOTA CELICA ST165-BLMVZ / ELECTRICAL / HEATING AIR CONDITIONING COOLER UNIT

Toyota Land Cruiser genuine parts

Toyota - LEXUS genuine parts

HEATING AIR CONDITIONING COOLER UNIT

(8508- )

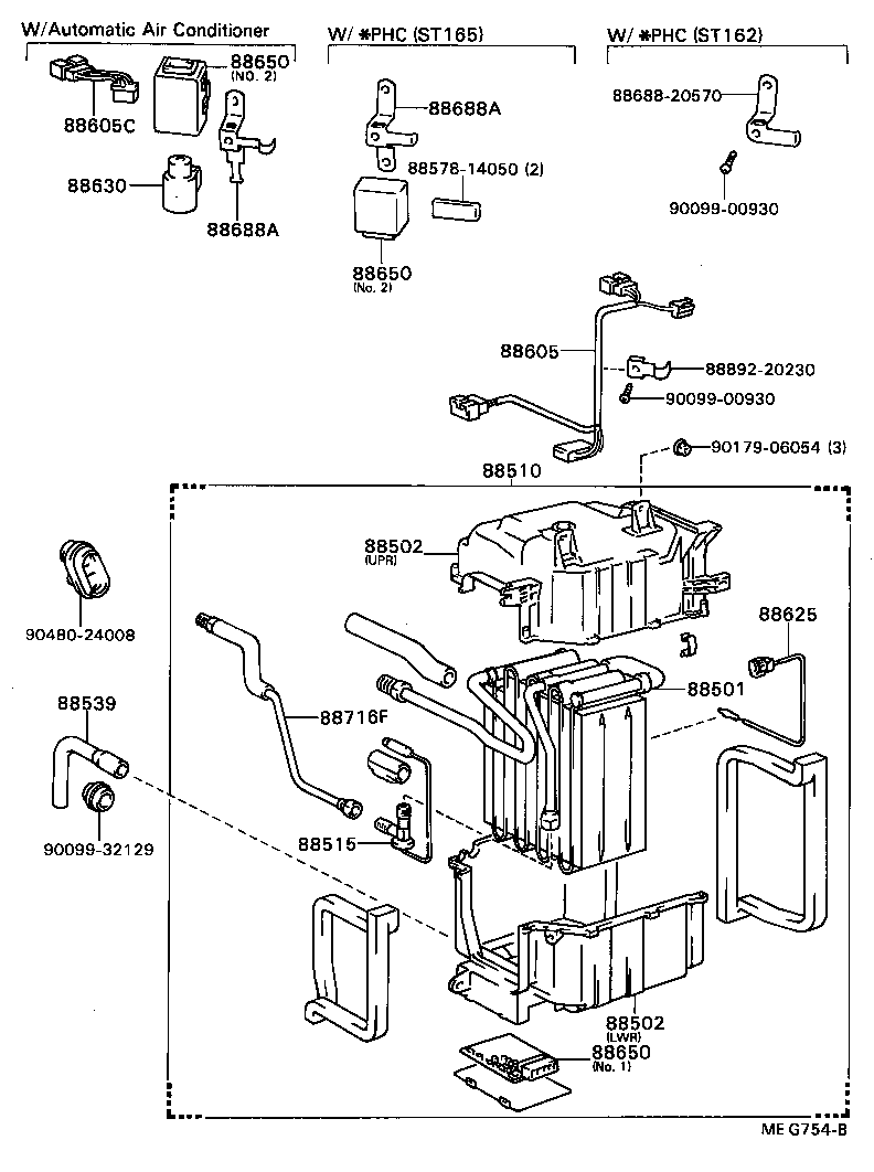
 CELICA |  HEATING AIR CONDITIONING COOLER UNIT 88501 - EVAPORATOR SUB-ASSY, COOLER, NO.1 88502 - CASE SUB-ASSY, COOLING UNIT 88502 - CASE SUB-ASSY, COOLING UNIT 88510 - UNIT ASSY, COOLER 88515 - VALVE, COOLER EXPANSION 88539 - HOSE, COOLER UNIT DRAIN, NO.1  ** Std Part 88605 - HARNESS SUB-ASSY, COOLER WIRING, NO.1 88605C - HARNESS SUB-ASSY, COOLER WIRING, NO.2 88625 - THERMISTOR, COOLER, NO.1 88630 - RELAY ASSY, COOLER 88650 - AMPLIFIER ASSY, COOLER STABILIZER 88650 - AMPLIFIER ASSY, COOLER STABILIZER 88650 - AMPLIFIER ASSY, COOLER STABILIZER  ** Std Part 88688A - BRACKET, COOLER STABILIZER AMPLIFIER 88688A - BRACKET, COOLER STABILIZER AMPLIFIER 88716F - PIPE, COOLER REFRIGERANT LIQUID, F  ** Std Part  ** Std Part  ** Std Part  ** Std Part  ** Std Part  ** Std Part

Register

Nick (login)
Password
Full name
eMail
Phone
Country

Login

Nick (login)
Password