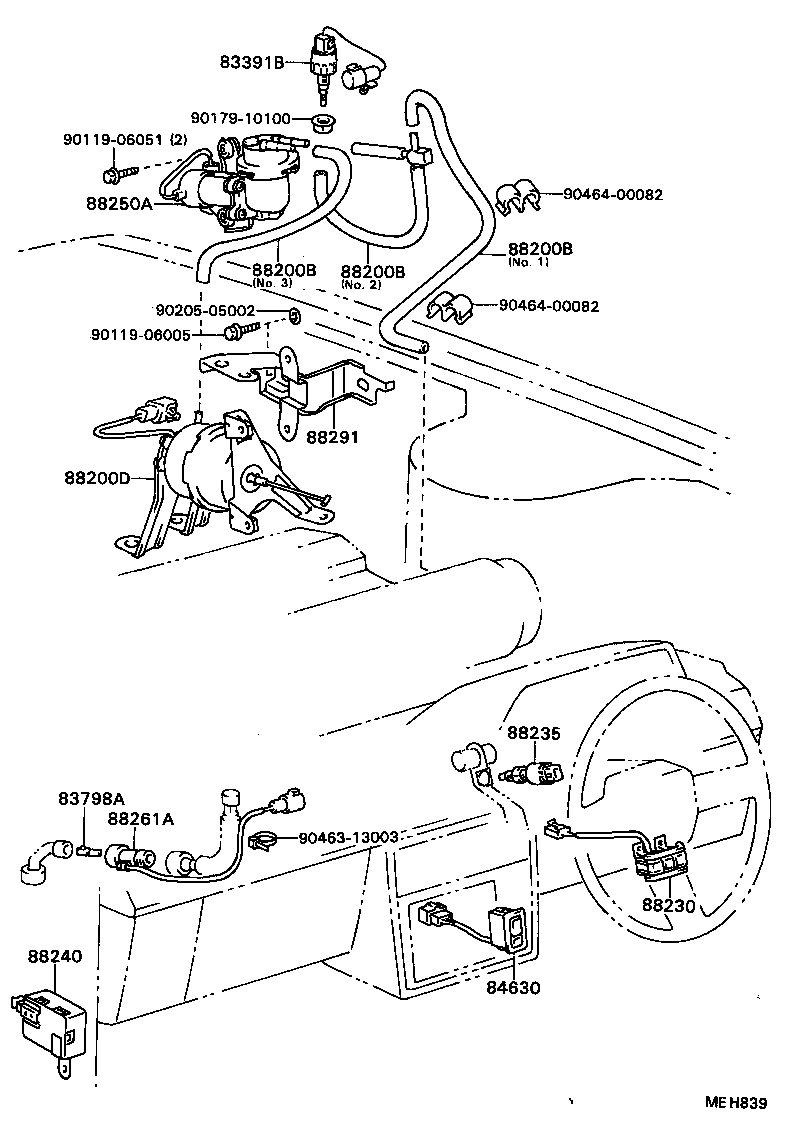
TOYOTA CELICA ST165-BLMVZ / ELECTRICAL / CRUISE CONTROL AUTO DRIVE

Toyota Land Cruiser genuine parts

Toyota - LEXUS genuine parts

CRUISE CONTROL AUTO DRIVE

(8610- )ST165

 CELICA |  CRUISE CONTROL AUTO DRIVE 83391B - SWITCH, AUTO DRIVE VACUUM 83798A - KEY, SPEEDOMETER CABLE ADAPTER 84630 - SWITCH ASSY, CRUISE CONTROL MAIN 88200B - HOSE, CRUISE CONTROL VACUUM 88200B - HOSE, CRUISE CONTROL VACUUM 88200B - HOSE, CRUISE CONTROL VACUUM 88200D - ACTUATOR ASSY, CRUISE CONTROL 88230 - SWITCH ASSY, CRUISE CONTROL(AUTO DRIVE) CONTROL 88235 - SWITCH ASSY, CRUISE CONTROL(AUTO DRIVE) RELEASE 88240 - COMPUTER ASSY, CRUISE CONTROL 88250A - PUMP ASSY, CRUISE CONTROL 88261A - SENSOR, SPEED CRUISE CONTROL 88291 - BRACKET, CRUISE CONTROL(AUTO DRIVE), NO.1  ** Std Part  ** Std Part  ** Std Part  ** Std Part  ** Std Part  ** Std Part  ** Std Part

Register

Nick (login)
Password
Full name
eMail
Phone
Country

Login

Nick (login)
Password