TOYOTA CARINA FF AT160-AEPVF / ELECTRICAL / WIRING CLAMP

Toyota Land Cruiser genuine parts

Toyota - LEXUS genuine parts

WIRING CLAMP

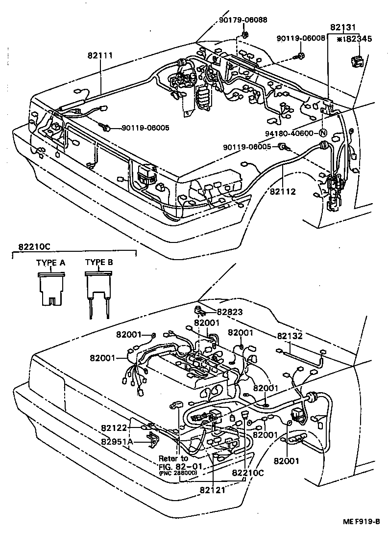
ILLUST NO. 1 OF 5(8508- )AT160

 CARINA FF |  WIRING CLAMP 82001 - CABLE, BOND, NO.1 82001 - CABLE, BOND, NO.1 82001 - CABLE, BOND, NO.1 82001 - CABLE, BOND, NO.1 82001 - CABLE, BOND, NO.1 82001 - CABLE, BOND, NO.1 82001 - CABLE, BOND, NO.1 ** Refer Fig 82111 - WIRE, ENGINE ROOM MAIN 82112 - WIRE, ENGINE ROOM, NO.2 82121 - WIRE, ENGINE 82122 - WIRE, ENGINE, NO.2 82131 - WIRE, COWL 82132 - WIRE, COWL, NO.2 82210C - FUSIBLE LINK 82210C - FUSIBLE LINK 82345 - DIODE 82823 - CAP, TERMINAL, NO.1 82951A - BRACKET, TERMINAL  ** Std Part  ** Std Part  ** Std Part  ** Std Part  ** Std Part

Register

Nick (login)
Password
Full name
eMail
Phone
Country

Login

Nick (login)
Password