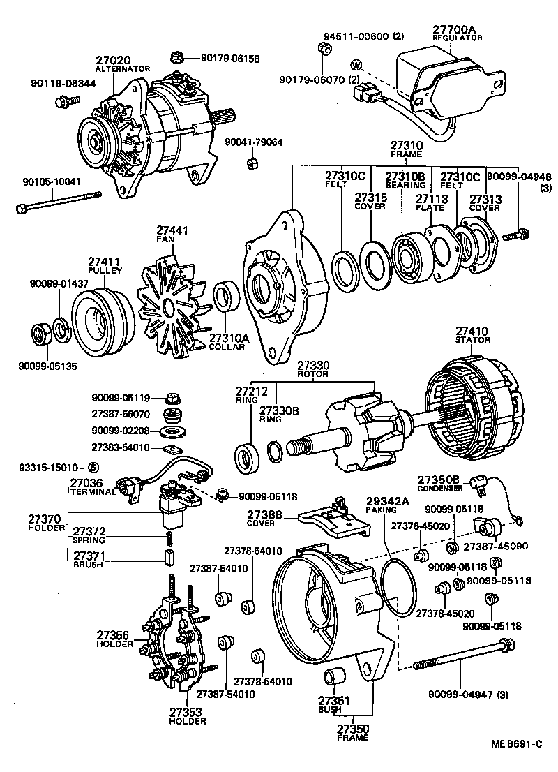
TOYOTA COASTER BB20-MRZY / TOOL-ENGINE-FUEL / ALTERNATOR

Toyota Land Cruiser genuine parts

Toyota - LEXUS genuine parts

ALTERNATOR

24V 20A, 25A (8205-8808)3B..WOC

 COASTER |  ALTERNATOR

Register

Nick (login)
Password
Full name
eMail
Phone
Country

Login

Nick (login)
Password