TOYOTA SPRINTER TE70-FLKES / TOOL-ENGINE-FUEL / CYLINDER BLOCK

Toyota Land Cruiser genuine parts

Toyota - LEXUS genuine parts

CYLINDER BLOCK

(7908-8108)13TU

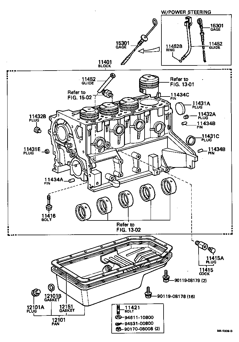
 SPRINTER |  CYLINDER BLOCK 11401 - BLOCK SUB-ASSY, CYLINDER 11415 - COCK SUB-ASSY, WATER DRAIN(FOR CYLINDER BLOCK) 11415A - PLUG, WATER DRAIN COCK(FOR CYLINDER BLOCK) 11416 - BOLT(FOR CRANKSHAFT BEARING CAP SET) 11421 - BOLT, STUD(FOR OIL PAN) 11431A - PLUG, TIGHT, NO.1(FOR CYLINDER BLOCK) 11431C - PLUG, TIGHT, NO.3(FOR CYLINDER BLOCK) 11431E - PLUG, TIGHT, NO.5(FOR CYLINDER BLOCK) 11432A - PLUG, W/HEAD TAPER SCREW, NO.1 11432B - PLUG, W/HEAD TAPER SCREW, NO.2 11434A - PIN, STRAIGHT(FOR TIMING GEAR COVER SET) 11434B - PIN, STRAIGHT(FOR CLUTCH HOUSING SET) 11434B - PIN, STRAIGHT(FOR CLUTCH HOUSING SET) 11434C - PIN, STRAIGHT (FOR CYLINDER HEAD SET) 11452 - GUIDE, OIL LEVEL GAGE 11452 - GUIDE, OIL LEVEL GAGE 11452B - RING, O(FOR OIL LEVEL GAGE GUIDE) 12101 - PAN SUB-ASSY, OIL 12101A - PLUG(FOR OIL PAN DRAIN) 12101B - GASKET(FOR OIL PAN DRAIN PLUG) 12151 - GASKET, OIL PAN ** Refer Fig ** Refer Fig ** Refer Fig 15301 - GAGE SUB-ASSY, OIL LEVEL 15301 - GAGE SUB-ASSY, OIL LEVEL  ** Std Part  ** Std Part  ** Std Part  ** Std Part  ** Std Part

Register

Nick (login)
Password
Full name
eMail
Phone
Country

Login

Nick (login)
Password