TOYOTA BLIZZARD LD10V-KCY / ELECTRICAL / HEATING AIR CONDITIONING HEATER UNIT BLOWER

Toyota Land Cruiser genuine parts

Toyota - LEXUS genuine parts

HEATING AIR CONDITIONING HEATER UNIT BLOWER

ILLUST NO. 1 OF 2(8003-8110)

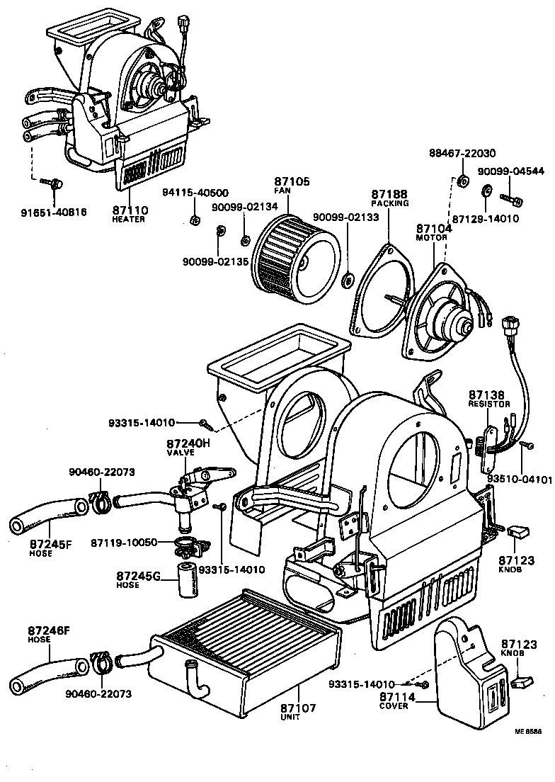
 BLIZZARD |  HEATING AIR CONDITIONING HEATER UNIT BLOWER  ** Std Part 87104 - MOTOR SUB-ASSY, HEATER BLOWER 87105 - FAN SUB-ASSY, HEATER BLOWER 87107 - UNIT SUB-ASSY, HEATER RADIATOR 87110 - HEATER ASSY 87114 - COVER, HEATER  ** Std Part 87123 - KNOB, HEATER 87123 - KNOB, HEATER  ** Std Part 87138 - RESISTOR, HEATER BLOWER 87188 - PACKING, HEATER BLOWER MOTOR 87240H - VALVE ASSY, WATER UNIT 87245F - HOSE, HEATER WATER, INLET F 87245G - HOSE, HEATER RADIATOR 87246F - HOSE, HEATER WATER, OUTLET F  ** Std Part  ** Std Part  ** Std Part  ** Std Part  ** Std Part  ** Std Part  ** Std Part  ** Std Part  ** Std Part  ** Std Part  ** Std Part  ** Std Part

Register

Nick (login)
Password
Full name
eMail
Phone
Country

Login

Nick (login)
Password