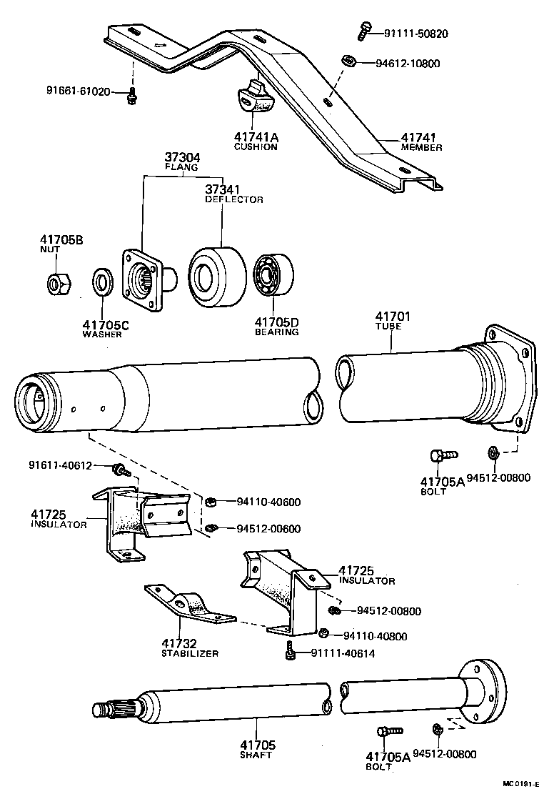
04/1969-12/1971
(6904-7112)UP3#
91111-406149111140614
91111-508209111150820
91611-406129161140612
91661-610209166161020
94110-406009411040600
94110-408009411040800
94512-006009451200600
94512-008009451200800
94612-108009461210800