TOYOTA PUBLICA KP30-C / ELECTRICAL / HEATING AIR CONDITIONING COMPRESSOR

Toyota Land Cruiser genuine parts

Toyota - LEXUS genuine parts

HEATING AIR CONDITIONING COMPRESSOR

(6904-7010)KP3#

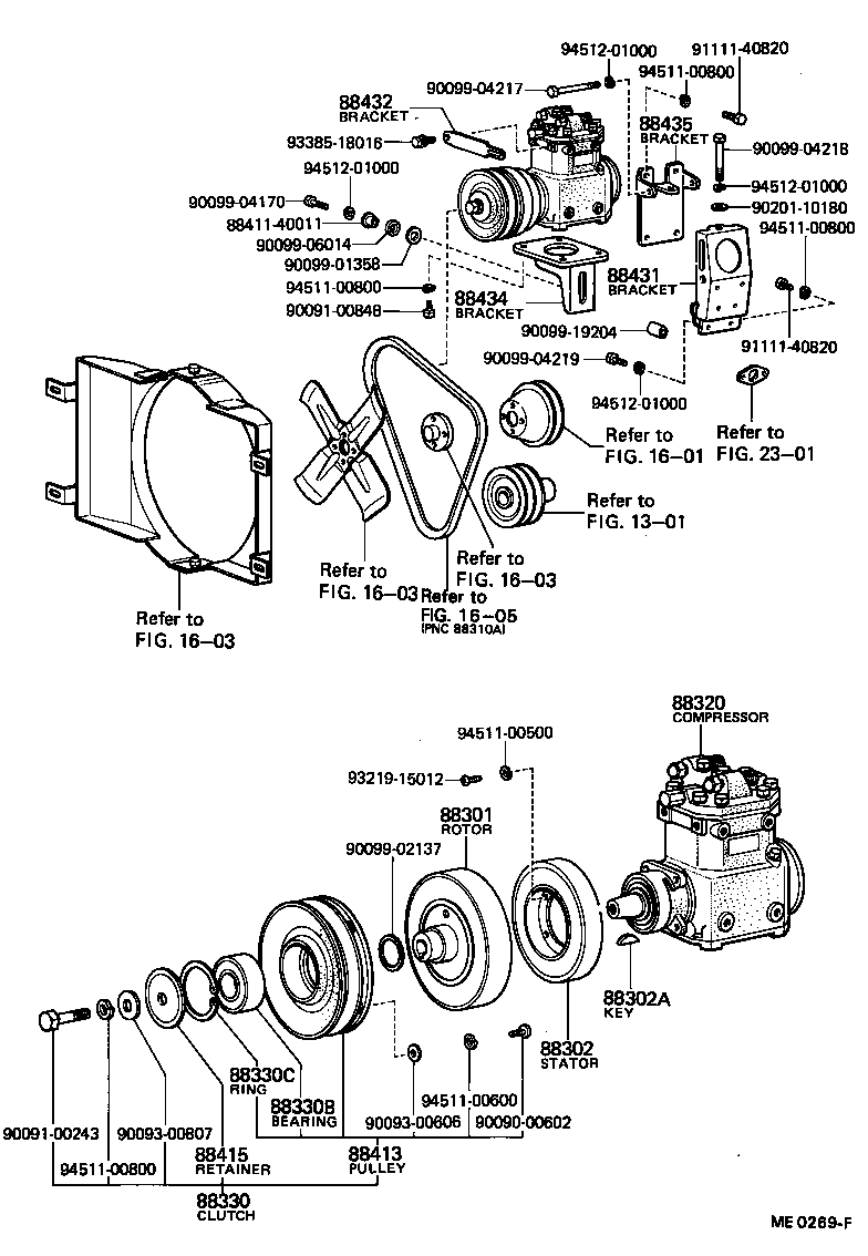
 PUBLICA |  HEATING AIR CONDITIONING COMPRESSOR ** Refer Fig ** Refer Fig ** Refer Fig ** Refer Fig ** Refer Fig ** Refer Fig ** Refer Fig 88301 - ROTOR SUB-ASSY, MAGNET CLUTCH 88302 - STATOR SUB-ASSY, MAGNET CLUTCH 88302A - KEY, COOLER MAGNET CLUTCH STATOR 88320 - COMPRESSOR ASSY, COOLER 88330 - CLUTCH ASSY, MAGNET 88330B - BEARING, MAGNET CLUTCH 88330C - RING, SNAP (FOR MAGNET CLUTCH)  ** Std Part 88413 - PULLEY SUB-ASSY, MAGNET CLUTCH 88415 - RETAINER, MAGNET CLUTCH BEARING, NO.1 88431 - BRACKET, COMPRESSOR MOUNTING, NO.1 88432 - BRACKET, COMPRESSOR MOUNTING, NO.2 88434 - BRACKET, COMPRESSOR MOUNTING, NO.4 88435 - BRACKET, COMPRESSOR MOUNTING, NO.5  ** Std Part  ** Std Part  ** Std Part  ** Std Part  ** Std Part  ** Std Part  ** Std Part  ** Std Part  ** Std Part  ** Std Part  ** Std Part  ** Std Part  ** Std Part  ** Std Part  ** Std Part  ** Std Part  ** Std Part  ** Std Part  ** Std Part  ** Std Part  ** Std Part  ** Std Part  ** Std Part  ** Std Part  ** Std Part  ** Std Part  ** Std Part  ** Std Part

Register

Nick (login)
Password
Full name
eMail
Phone
Country

Login

Nick (login)
Password