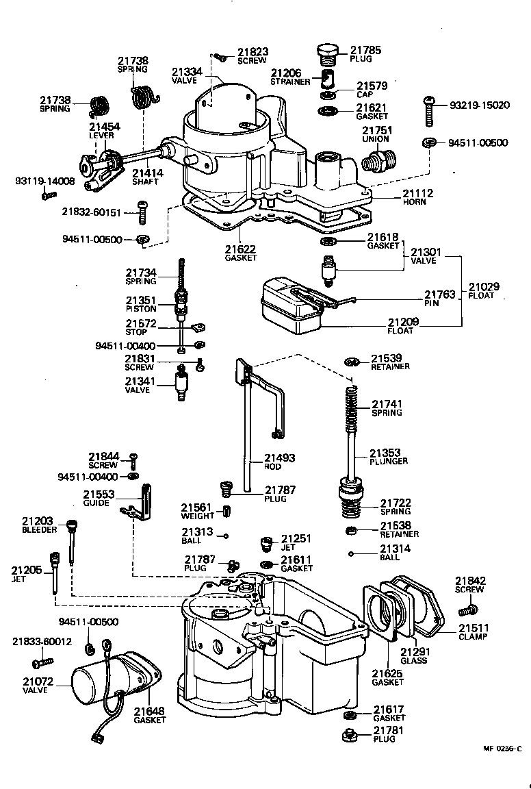
03/1969-01/1975
ILLUST NO. 1 OF 2(6903-6909)
21832-601512183260151
21833-600122183360012
93119-140089311914008
93219-150209321915020
94511-004009451100400
94511-005009451100500