TOYOTA EZ ZGR21L-GRFEKC / TOOL-ENGINE-FUEL / ALTERNATOR

Toyota Land Cruiser genuine parts

Toyota - LEXUS genuine parts

ALTERNATOR

12V 100A (1106-1309)

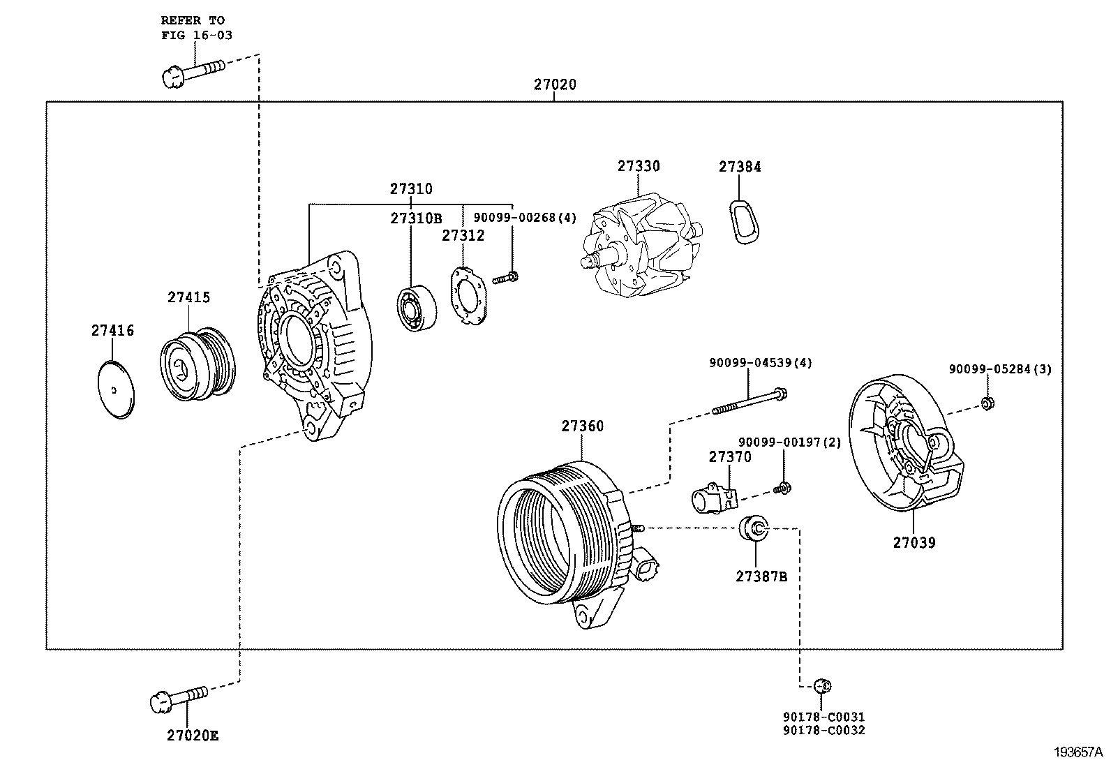
 EZ |  ALTERNATOR ** Refer Fig 27020 - ALTERNATOR ASSY 27020E - BOLT(FOR ALTERNATOR) 27039 - COVER, ALTERNATOR REAR END 27310 - FRAME ASSY, DRIVE END, ALTERNATOR 27310B - BEARING(FOR ALTERNATOR DRIVE END FRAME) 27312 - PLATE, RETAINER 27330 - ROTOR ASSY, ALTERNATOR 27360 - COIL ASSY, ALTERNATOR 27370 - HOLDER ASSY, ALTERNATOR BRUSH 27384 - WASHER 27387B - INSULATOR, ALTERNATOR TERMINAL 27415 - PULLEY, ALTERNATOR W/CLUTCH 27416 - CAP, ALTERNATOR PULLEY  ** Std Part  ** Std Part  ** Std Part  ** Std Part  ** Std Part  ** Std Part

Register

Nick (login)
Password
Full name
eMail
Phone
Country

Login

Nick (login)
Password