TOYOTA AVENSIS AZT250R-AEPGK / ELECTRICAL / HEATING AIR CONDITIONING COOLER UNIT

Toyota Land Cruiser genuine parts

Toyota - LEXUS genuine parts

HEATING AIR CONDITIONING COOLER UNIT

AUTO AIR CONDITIONER ILLUST NO. 1 OF 2(0604- )RHD

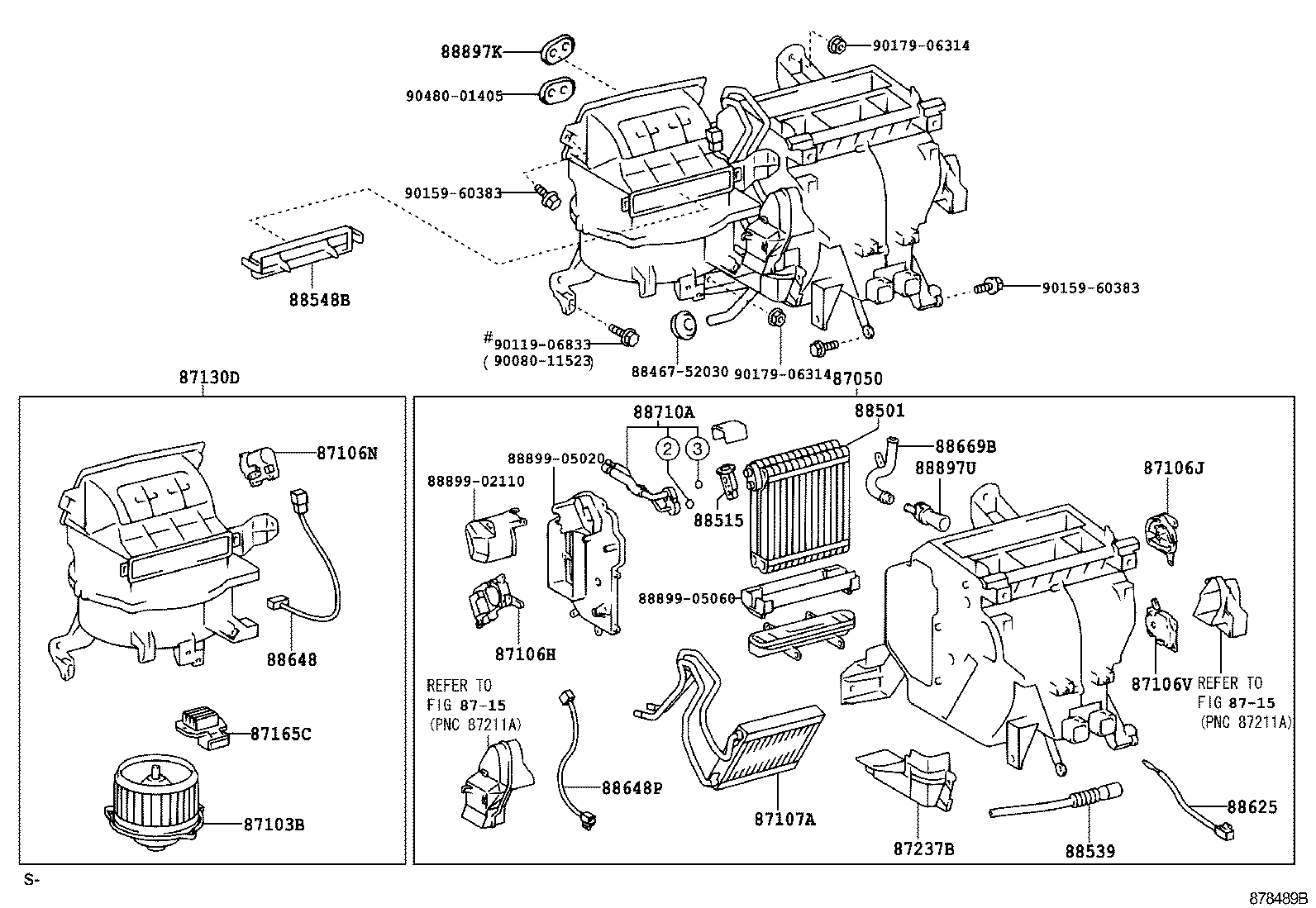
 AVENSIS |  HEATING AIR CONDITIONING COOLER UNIT 87050 - RADIATOR ASSY, AIR CONDITIONER 87103B - MOTOR SUB-ASSY, BLOWER W/FAN 87106H - SERVO SUB-ASSY, DAMPER(FOR AIRMIX) 87106J - SERVO SUB-ASSY, DAMPER(FOR MODE) 87106N - SERVO SUB-ASSY, DAMPER(FOR RECIRCULATION) 87106V - SERVO SUB-ASSY, DAMPER(FOR AIRMIX NO.2) 87107A - UNIT SUB-ASSY, HEATER RADIATOR 87130D - BLOWER ASSY ** Refer Fig ** Refer Fig 87165C - CONTROL, BLOWER MOTOR 87237B - COVER, HEATER PIPING  ** Std Part 88501 - EVAPORATOR SUB-ASSY, COOLER, NO.1 88515 - VALVE, COOLER EXPANSION 88539 - HOSE, COOLER UNIT DRAIN, NO.1 88548B - CASE, AIR FILTER 88625 - THERMISTOR, COOLER, NO.1 88648 - WIRING, COOLER, NO.1 88648P - WIRE,AIR CONDITIONER,NO.1 88669B - HOSE, COOLER AIR 88710A - TUBE ASSY, AIRCONDITIONER 88897K - GROMMET, (FOR COOLER PIPE) 88897U - PIPE, ASPIRATOR  ** Std Part  ** Std Part  ** Std Part  ** Std Part  ** Std Part  ** Std Part  ** Std Part  ** Std Part  ** Std Part  ** Std Part

Register

Nick (login)
Password
Full name
eMail
Phone
Country

Login

Nick (login)
Password