TOYOTA LAND CRUISER 70 RJ70RV-MNQ / TOOL-ENGINE-FUEL / DISTRIBUTOR

Toyota Land Cruiser genuine parts

Toyota - LEXUS genuine parts

DISTRIBUTOR

(9001-9108)22R..RJ70..ARL

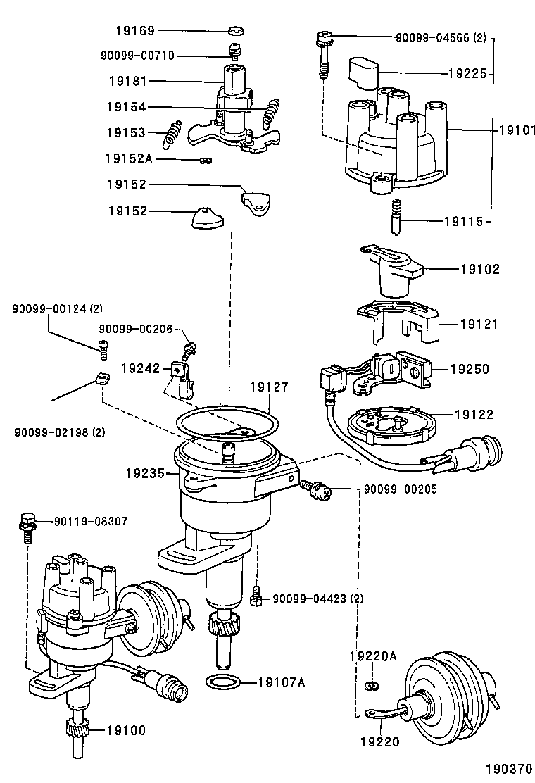
 LAND CRUISER 70 |  DISTRIBUTOR 19100 - DISTRIBUTOR ASSY 19101 - CAP SUB-ASSY, DISTRIBUTOR 19102 - ROTOR SUB-ASSY, DISTRIBUTOR 19107A - RING, O, DISTRIBUTOR HOUSING 19115 - PIECE, DISTRIBUTOR CAP, CENTER 19121 - COVER, DUST PROOF 19122 - PLATE, STATIONARY, DISTRIBUTOR 19127 - PACKING, DUST PROOF 19152 - WEIGHT, GOVERNOR 19152 - WEIGHT, GOVERNOR 19152A - RING, SNAP(FOR GOVERNOR WEIGHT) 19153 - SPRING, GOVERNOR, A 19154 - SPRING, GOVERNOR, B 19169 - STOPPER, CAM GREASE 19181 - ROTOR, DISTRIBUTOR, SIGNAL 19220 - ADVANCER ASSY, VACUUM, DISTRIBUTOR 19220A - RING, SNAP(FOR DISTRIBUTOR VACUUM ADVANCER) 19225 - CAP, RUBBER 19235 - HOUSING, DISTRIBUTOR 19242 - CLAMP, CORD 19250 - GENERATOR ASSY, SIGNAL  ** Std Part  ** Std Part  ** Std Part  ** Std Part  ** Std Part  ** Std Part  ** Std Part  ** Std Part

Register

Nick (login)
Password
Full name
eMail
Phone
Country

Login

Nick (login)
Password