TOYOTA CROWN MS135R-AESQF / TOOL-ENGINE-FUEL / DISTRIBUTOR

Toyota Land Cruiser genuine parts

Toyota - LEXUS genuine parts

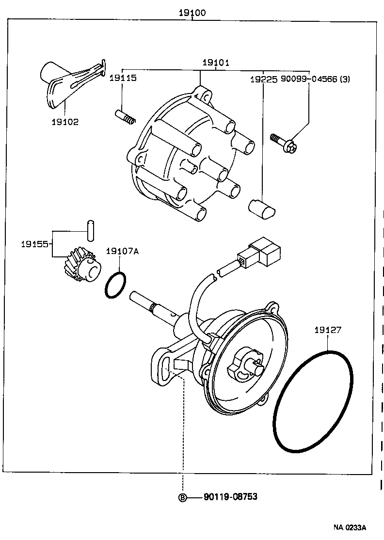
DISTRIBUTOR

(8709-8908)7MGE

 CROWN |  DISTRIBUTOR 19100 - DISTRIBUTOR ASSY 19101 - CAP SUB-ASSY, DISTRIBUTOR 19102 - ROTOR SUB-ASSY, DISTRIBUTOR 19107A - RING, O, DISTRIBUTOR HOUSING 19115 - PIECE, DISTRIBUTOR CAP, CENTER 19127 - PACKING, DUST PROOF 19155 - GEAR, SPIRAL, DISTRIBUTOR 19225 - CAP, RUBBER  ** Std Part  ** Std Part

Register

Nick (login)
Password
Full name
eMail
Phone
Country

Login

Nick (login)
Password